EasyManua.ls Logo

Robur Next-R - Page 9

Robur Next-R
60 pages
Print Icon
To Next Page IconTo Next Page
To Next Page IconTo Next Page
To Previous Page IconTo Previous Page
To Previous Page IconTo Previous Page
Loading...
Features and technical data
Installation, use and maintenance manual – Next-R
9
1
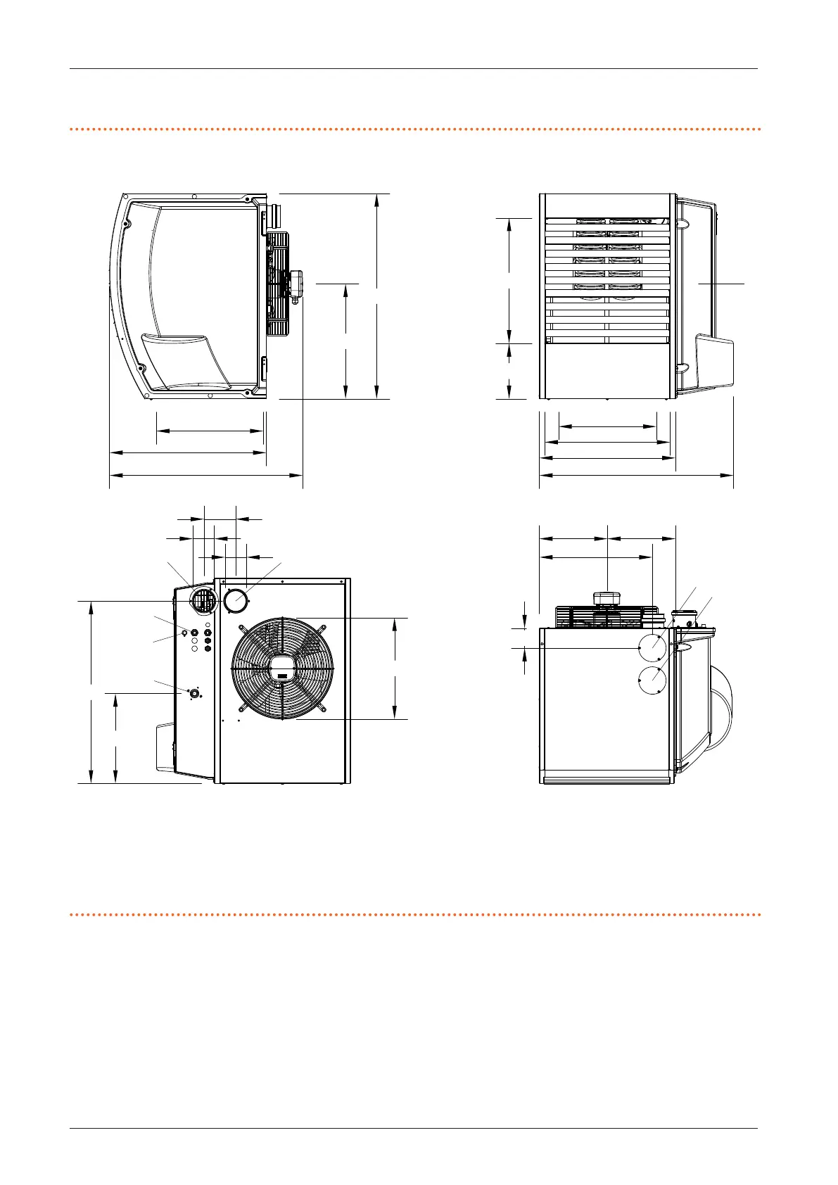
1.2.1.2 R30
Figure1.2 Unit dimensions
1 Flue gas exhaust
2 Combustion air inlet
3 Power supply cables input
4 Gas connection 3/4" M
5 Thermoformed door
6 Limit thermostat
7 Flue gas exhaust blind cover, alternative to the rear one (1)
8 Blind cover for access to the fan thermostat
(*) Holes for xing to the support bracket
5
731
777
435
593
734
515
475
210
475
257257
80
80
12
3
4
383
340
690
370 (*)
405 (*)
6
120
76
432
7
8

Related product manuals