EasyManua.ls Logo

Rocktron REPLIFEX - Rotary Configuration

Rocktron REPLIFEX
76 pages
Print Icon
To Next Page IconTo Next Page
To Next Page IconTo Next Page
To Previous Page IconTo Previous Page
To Previous Page IconTo Previous Page
Loading...
13
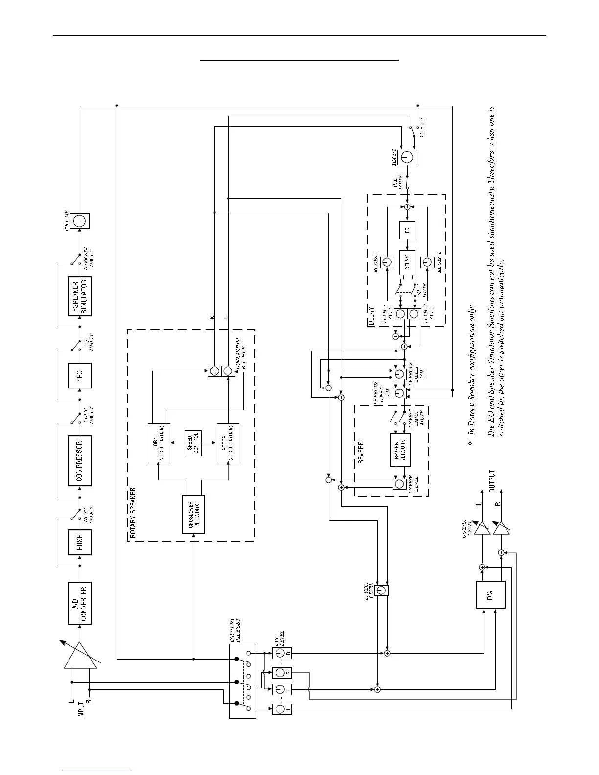
Rotary Configuration
Block Diagram
Block Diagrams

Related product manuals