EasyManua.ls Logo

Rockwell Automation Allen-Bradley 1769-OB16 - 1769-If4 I

Rockwell Automation Allen-Bradley 1769-OB16
202 pages
To Next Page IconTo Next Page
To Next Page IconTo Next Page
To Previous Page IconTo Previous Page
To Previous Page IconTo Previous Page
Loading...
Rockwell Automation Publication 1769-IN088A-EN-P - February 2011 23
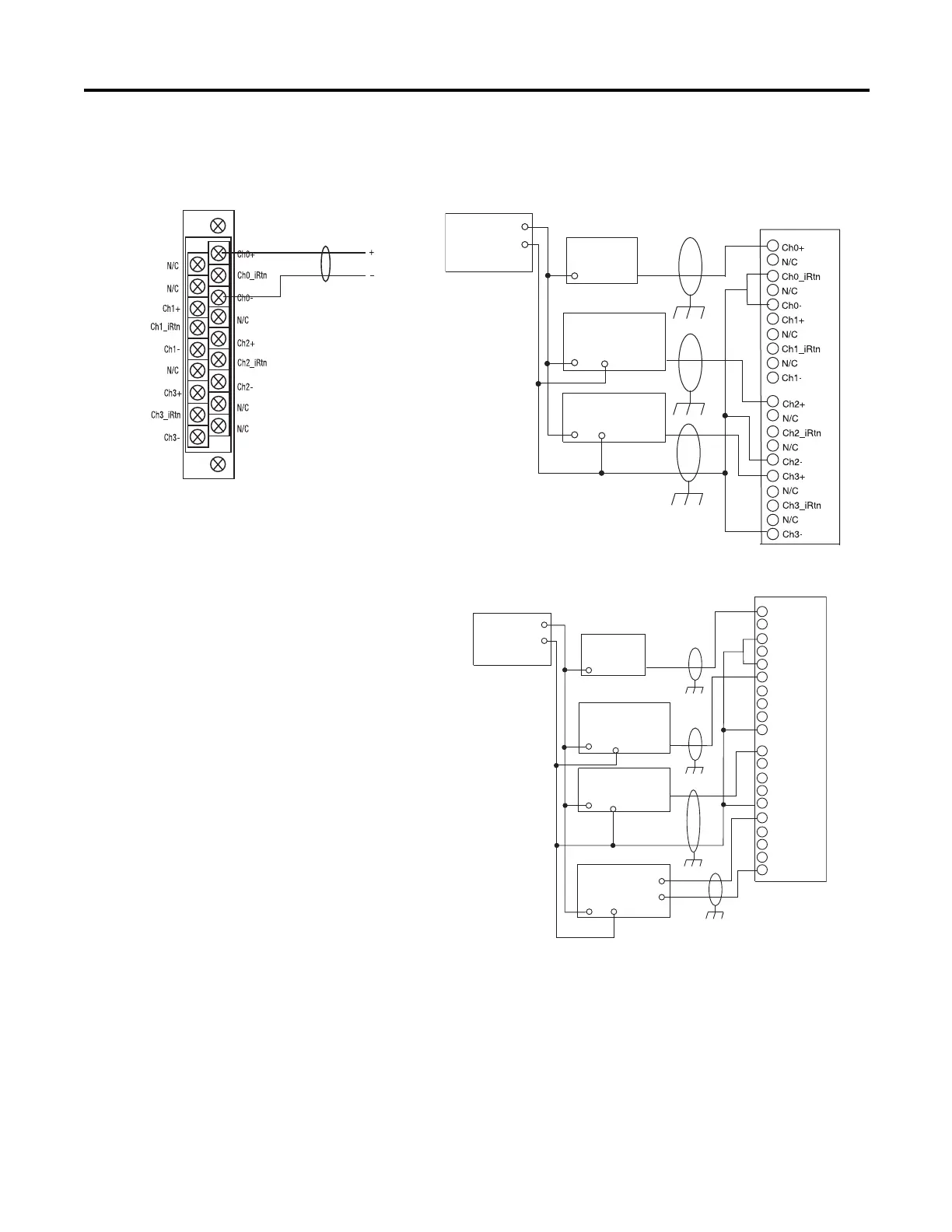
Module Wiring Chapter 2
1769-IF4I
Compact voltage/current analog, individually-isolated input module
1769-IF4I Differential Inputs
1769-IF4I Single-ended Sensor/Transmitter Inputs
+
+
+
+
-
1769-IF4I Mixed Transmitter Inputs
Ch0+
N/C
Ch0_iRtn
N/C
Ch0-
Ch1+
N/C
Ch1_iRtn
N/C
Ch1-
Ch2+
N/C
Ch2_iRtn
N/C
Ch2-
Ch3+
N/C
Ch3_iRtn
N/C
Ch3-
+
+
+
+
+
-
+
_

Table of Contents

Related product manuals