EasyManua.ls Logo

Rockwell Automation PowerFlex 755TR - Page 317

Rockwell Automation PowerFlex 755TR
352 pages
Print Icon
To Next Page IconTo Next Page
To Next Page IconTo Next Page
To Previous Page IconTo Previous Page
To Previous Page IconTo Previous Page
Loading...
Rockwell Automation Publication 750-TG100B-EN-P - June 2019 317
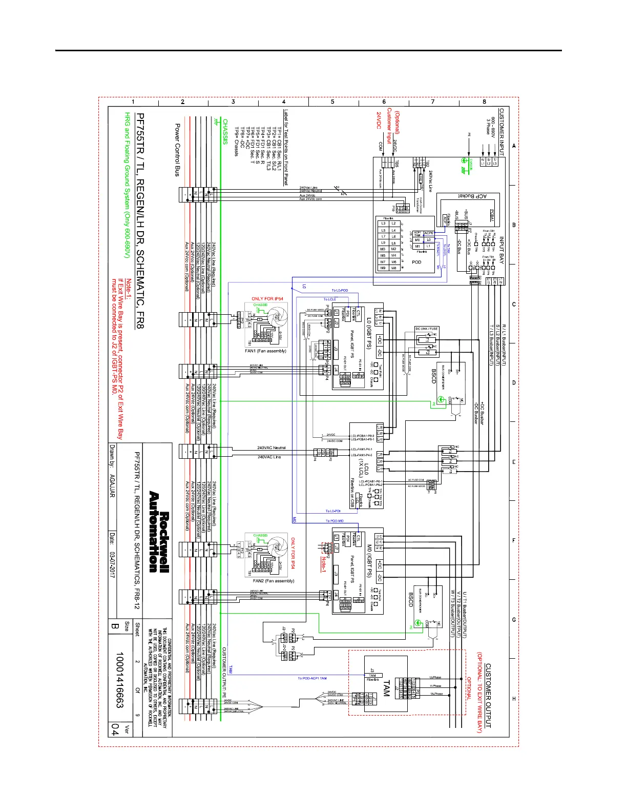
System Schematics Appendix A
Figure 40 - PowerFlex 755TM Frame 8 Regenerative Drive with DC Bus Conditioner

Table of Contents

Related product manuals