EasyManua.ls Logo

Roger Technology AG/CTRL - Page 120

Roger Technology AG/CTRL
124 pages
Go to English
Print Icon
To Next Page IconTo Next Page
To Next Page IconTo Next Page
To Previous Page IconTo Previous Page
To Previous Page IconTo Previous Page
Loading...
120
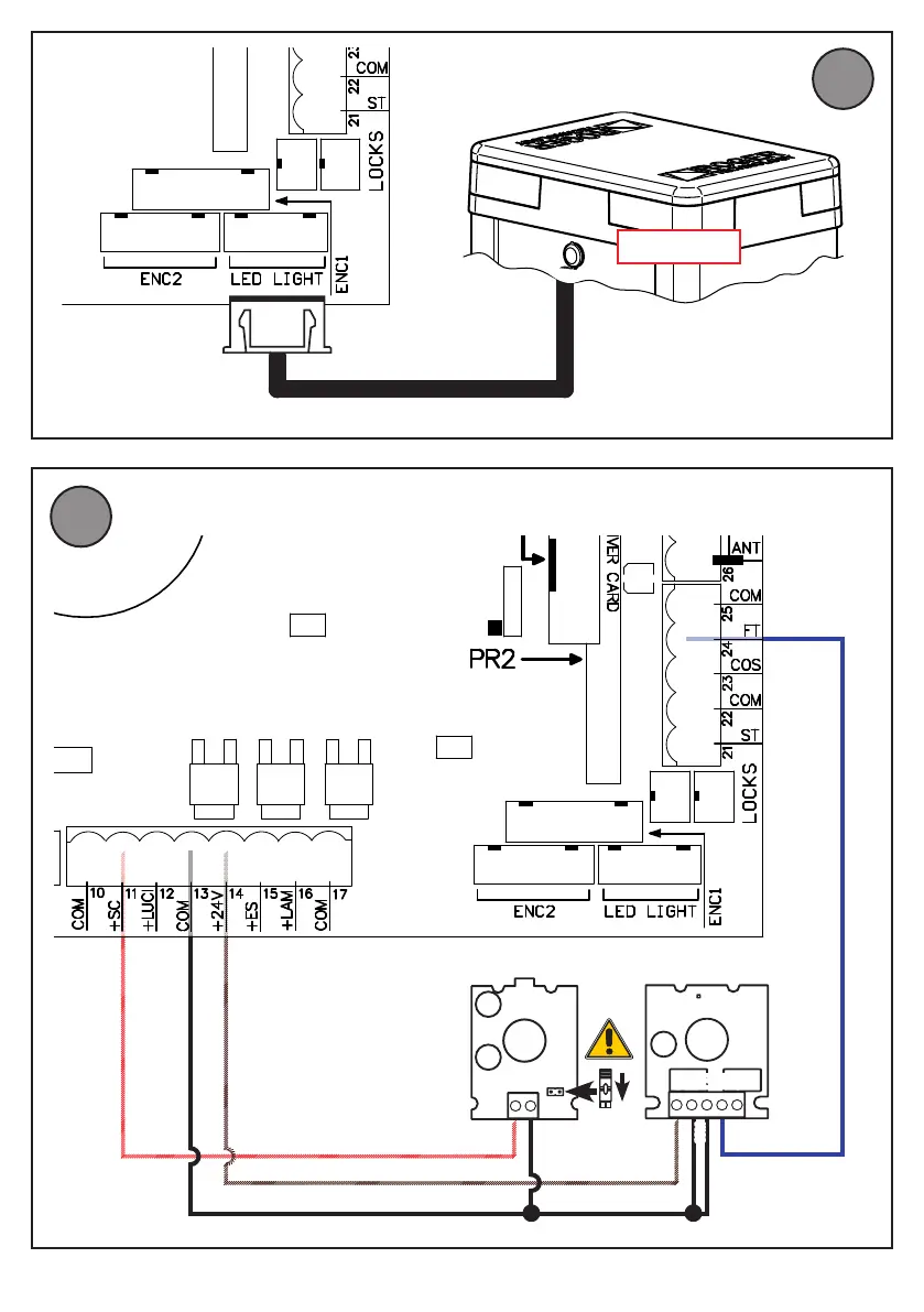
A8 02 FOTO TEST
TX
1 2
RX
P1
1 2 3 4 5
SC
COM

COM
FOTOCELLULE
PHOTOCELLS
7
AG/BLED
8

Table of Contents

Related product manuals