EasyManua.ls Logo

ROLEC BasicCharge ROLEC0221B - Schematics

Default Icon
40 pages
Print Icon
To Next Page IconTo Next Page
To Next Page IconTo Next Page
To Previous Page IconTo Previous Page
To Previous Page IconTo Previous Page
Loading...
Installation
BasicCharge Intelligent EV Charging Pedestal EVBM-V01-R1 Installation and Operation Manual
Page 19 of 36 December 2022
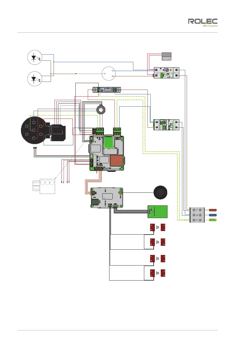
Schematics
Figure 12 BasicCharge Intelligent EV Charging Pedestal – 1x up to 7.4kW Type 2 Socket
NE
CP PP
L1
L2L3
kWh
1000
imp/kWh
230V 0.25-5(100)A
B
NN
2425 23
23 A25 B
24 G
HALO LED STATUS
INDICATOR LEAD
HEADER
(FRONT VIEW)
2xWH ITE
CABLES
HEADER
(FRONT VIEW)
WHITE
CABLE
(PP)
B
A
BLUE GROUND
N1
2N
ACEQ0185
C40
230V 50Hz
I n 0.03A
IEC/EN 61009-110000
I ON
O OFF
2N
1N
T
LIVE
NEUTRAL
EARTH
INCOMING SUPPLY
LN
SW/L
PHOTOCELL
(ACLG0050)
WHITE CABLE
LED LIGHT 2LED LIGHT 1
RED
CABLE
(CP)
RED + SUPPLY +HL
BLACK - SUPPLY -HL
WHITE HIN
L
N
E
PP CP
HIN GND
-HL +HL
ACEQ0030
C6
2N
N1
N
N
T
LINK
OPTIONAL LOAD BALANCING CT
(TO BE CONNECTED TO A CT FITTED AROUND
THE INCOMING SUPPLY LIVE WIRE)
OPTIONAL SOLAR MONITORING CT
H-
H+
S-
S+
MAGN ET 1
REED SWITCH 1
MAGN ET 2
REED SWITCH 2
MAGN ETIC
FIELD
MAGN ETIC
FIELD
MAGN ET 1
REED SWITCH 3
MAGN ET 2
REED SWITCH 4
MAGN ETIC
FIELD
MAGN ETIC
FIELD

Related product manuals