EasyManua.ls Logo

RTA 460 - Chapter 5 Panel Mount Dimensions

RTA 460
76 pages
Print Icon
To Next Page IconTo Next Page
To Next Page IconTo Next Page
To Previous Page IconTo Previous Page
To Previous Page IconTo Previous Page
Loading...
Default IP Address – 192.168.0.100
460 Gateway User Manual Page 70
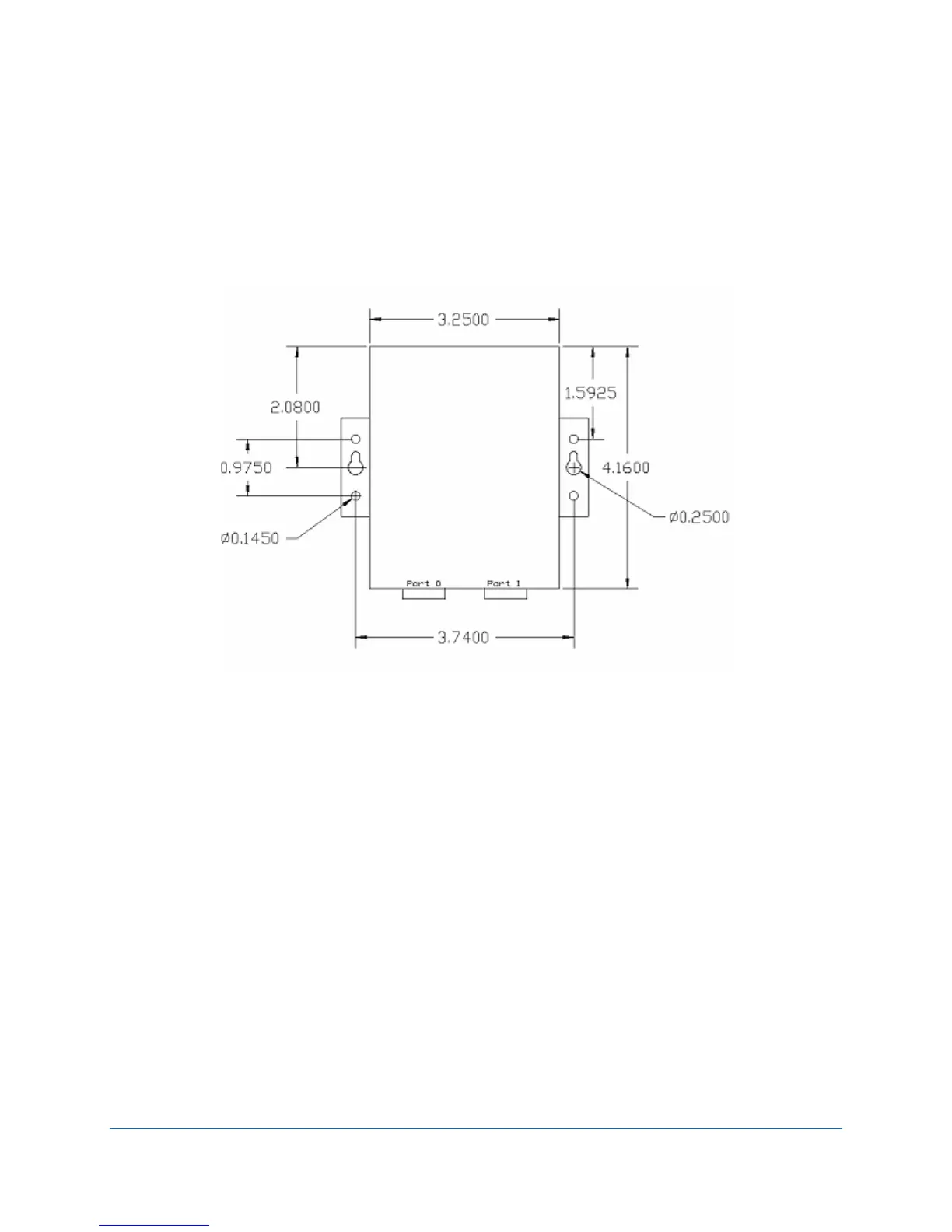
Chapter 5 Panel mount dimensions
Figure 5-1 shows the panel mount dimensions for the 460 Gateway.
Figure 5-1 Panel mount dimensions

Related product manuals