EasyManua.ls Logo

Saeco 3P - Programming Structure

Saeco 3P
29 pages
Print Icon
To Previous Page IconTo Previous Page
To Previous Page IconTo Previous Page
Loading...
English
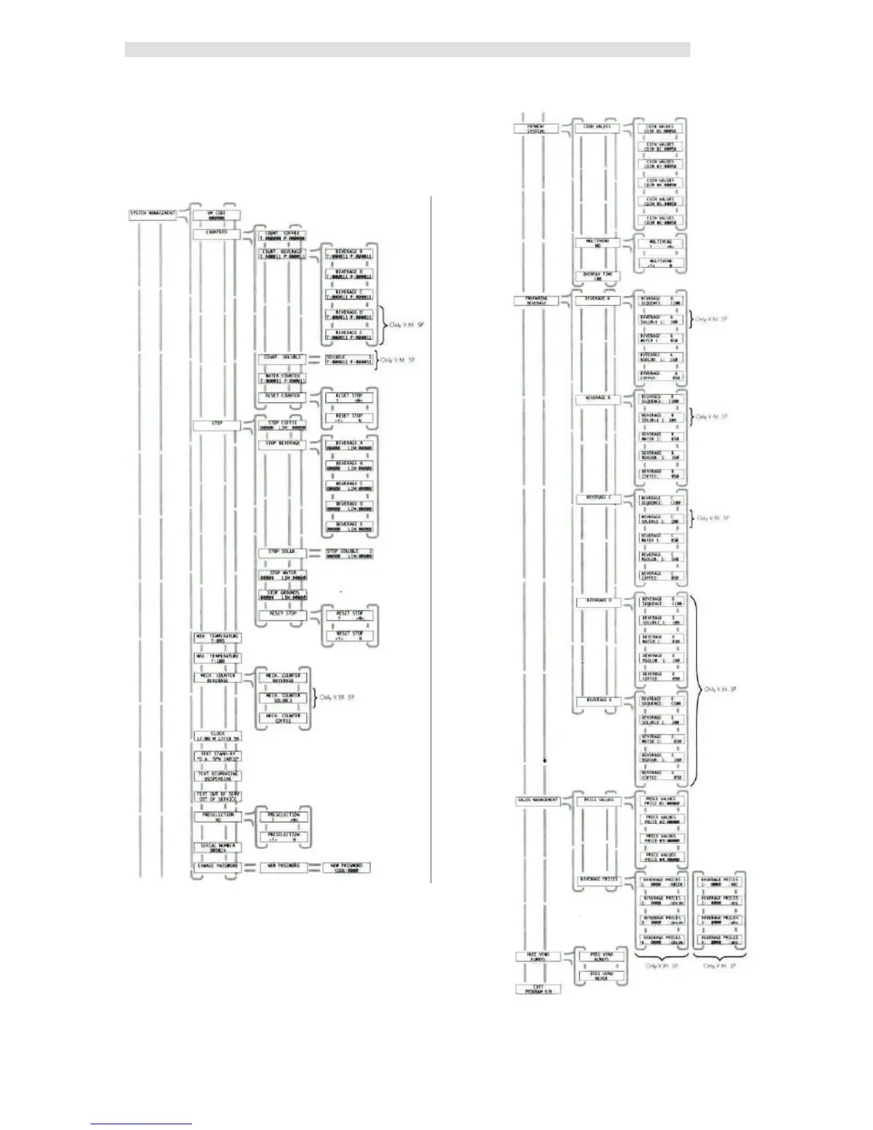
11.2 Programming structure (D.A. 3P
standard version and
D.A* 5P standard without clock
module)
Part 1
Continues
29
Part
2
End

Related product manuals