EasyManua.ls Logo

Saftronics CIMR-VG5 - Page 25

Default Icon
113 pages
Print Icon
To Next Page IconTo Next Page
To Next Page IconTo Next Page
To Previous Page IconTo Previous Page
To Previous Page IconTo Previous Page
Loading...
VG5 Installation & Quick-Start Manual 25
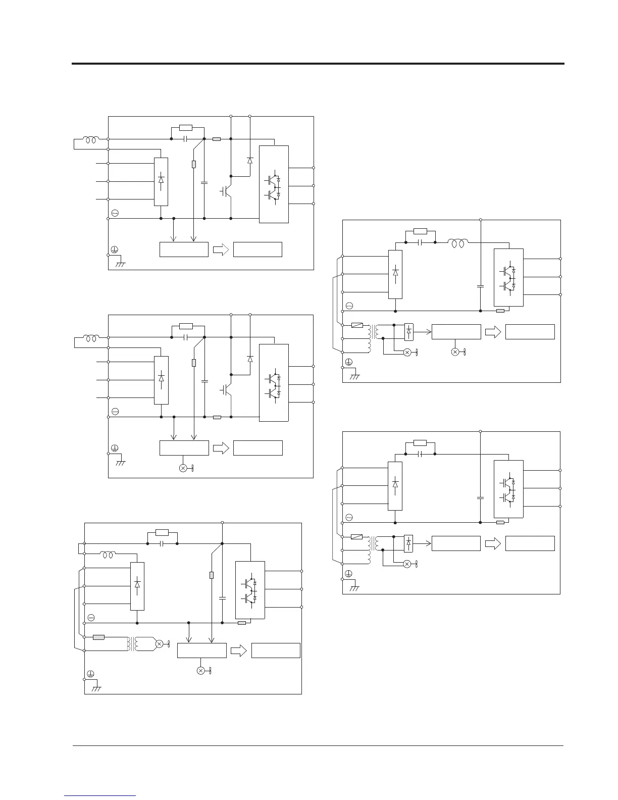
Main Circuit Diagrams (460V Class)
L1
L2
L3
3
+
r
s200
s400
1
2
B1 B2
T1
T2
T3
L1
L2
L3
+
Power Supply
Control Circuit
CIMR-VG5U42P2 to 4015
Cooling Fan
(optional
reactor)
1
2
B1 B2
T1
T2
T3
L1
L2
L3
+
Power Supply
Control Circuit
(optional
reactor)
CIMR-VG5U40P4 to 41P5
T1
T2
T3
L1
L2
L3
3
+
r
s
CIMR-VG5U4018 to 4045
Power Supply
Control Circuit
Internal
Cooling Fan
Cooling Fan
1
2
T1
T2
T3
Power Supply
Control Circuit
Internal
Cooling Fan
Cooling Fan
CIMR-VG5U4055 to 4160
L1
L2
L3
3
+
r
s200
s400
T1
T2
T3
Power Supply
Control Circuit
Cooling Fan
CIMR-VG5U4185 to 4300
Chapter 1 - Receiving & Installation
Wiring

Related product manuals