EasyManua.ls Logo

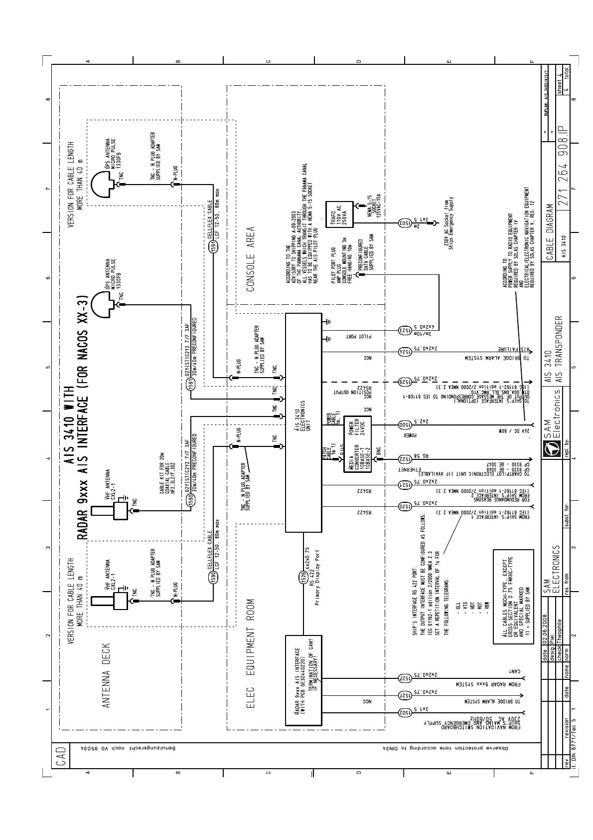
SAM Electronics AIS 3410 - Fig. 9-4 Cable Diagram, Connection to Radar 9 Xxx Via Radar 9 Xxx AIS Interface (NACOS XX-3)

Default Icon
84 pages
Print Icon
To Next Page IconTo Next Page
To Next Page IconTo Next Page
To Previous Page IconTo Previous Page
To Previous Page IconTo Previous Page
Loading...
AIS 3410, Electronics Unit
ED3047G842 / 01 (2009-08)
Technical Manual
9 Cabling Documents
t_ue_e11.fm / 27.08.09
71
Fig. 9-4 Cable Diagram, connection to Radar 9xxx via Radar 9xxx AIS Interface (NACOS xx-3)

Table of Contents