EasyManua.ls Logo

Samson 3766 - Page 67

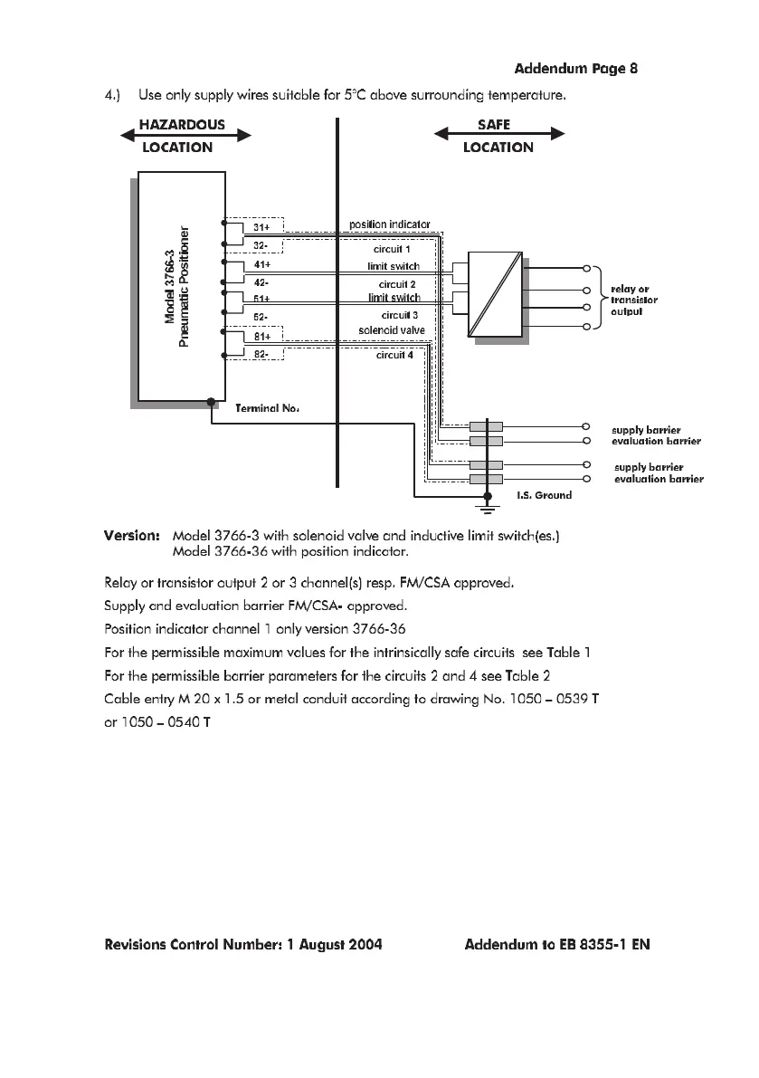
Samson 3766
76 pages
Print Icon
To Next Page IconTo Next Page
To Next Page IconTo Next Page
To Previous Page IconTo Previous Page
To Previous Page IconTo Previous Page
Loading...
EB 8355-1 EN 67

Related product manuals