EasyManua.ls Logo

Samsung WALL MOUNTED TYPE - Page 89

Samsung WALL MOUNTED TYPE
139 pages
Print Icon
To Next Page IconTo Next Page
To Next Page IconTo Next Page
To Previous Page IconTo Previous Page
To Previous Page IconTo Previous Page
Loading...
89
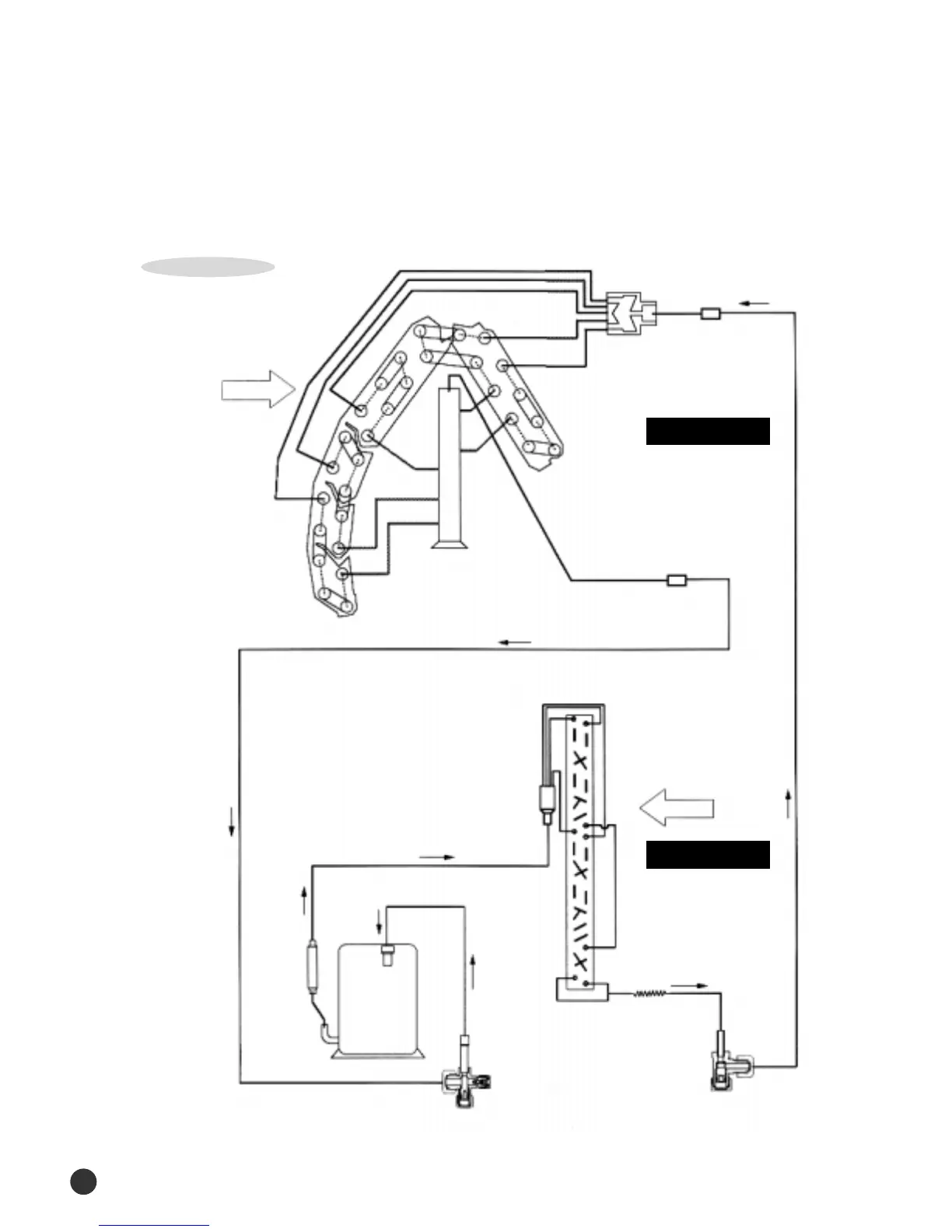
24,000BTU
5/8
Valve Packed 5/8
Muffler
Valve Packed 1/4
C-Capi
Air-in
Air-in
1/2
5/8
5/8
1/4
1/4
1/4
Indoor Unit
Outdoor Unit
Diagram
89
00150A(2)-54~98 2/5/01 11:54 AM Page 89

Related product manuals