EasyManua.ls Logo

Sanyo PLC-XE33

Sanyo PLC-XE33
110 pages
To Next Page IconTo Next Page
To Next Page IconTo Next Page
To Previous Page IconTo Previous Page
To Previous Page IconTo Previous Page
Loading...
-52-
PC2 IN
Monitor
Out
Composite
Video
RS232C
PC/ Video
Audio
in
Audio out
IC301<PW190>
CPU
SCALER
A/D Converter
VIDEO Decoder
R-PANEL
G-PANEL
B-PANEL
D7
IC5001
Audio
POWER BOARD
IC401
<L3E7111K>
DIGITAL ENHANCER
FAN*5pcs
IC4001 OUT
BUFFER
A901 LAMP
BALLAST
PC1 IN
RGB/
YCbCr/
SCART
Flash
IC8811/21/31
TEMP.SENSOR
EEPROM
IC8801
LAN Driver
IC3801 232C
DRIVER
RJ45
IC561
RQL3E0617
0P0AM
IC531
RQL3E0617
0P0AM
IC501
RQL3E0617
0P0AM
FN001
FN002
FN003
FN004
FN005
Speaker
K8F
IC5031
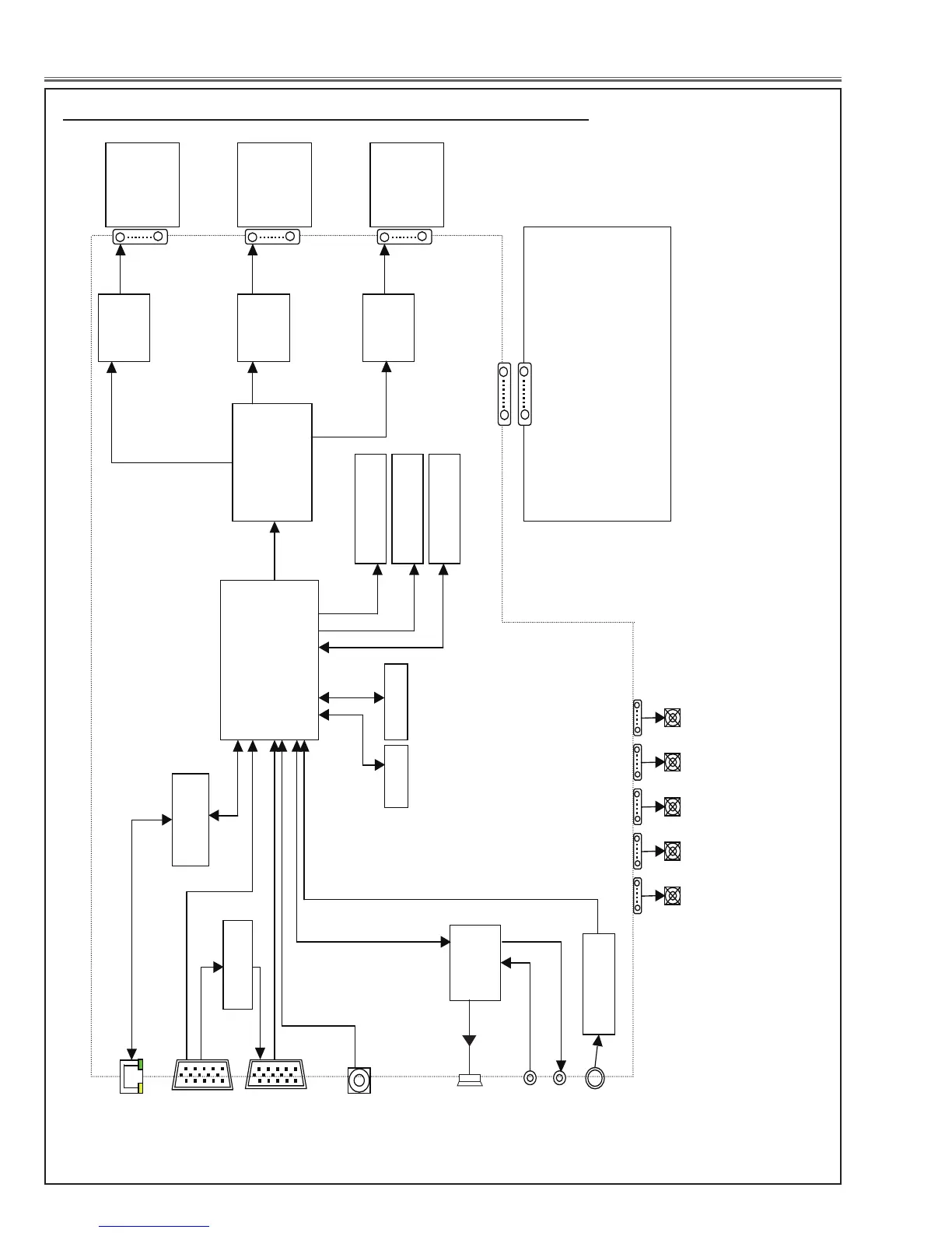
Chassis over view
Chassis Block Diagrams

Table of Contents

Other manuals for Sanyo PLC-XE33

Related product manuals