EasyManua.ls Logo

Sanyo PLC-XE33

Sanyo PLC-XE33
110 pages
To Next Page IconTo Next Page
To Next Page IconTo Next Page
To Previous Page IconTo Previous Page
To Previous Page IconTo Previous Page
Loading...
-54-
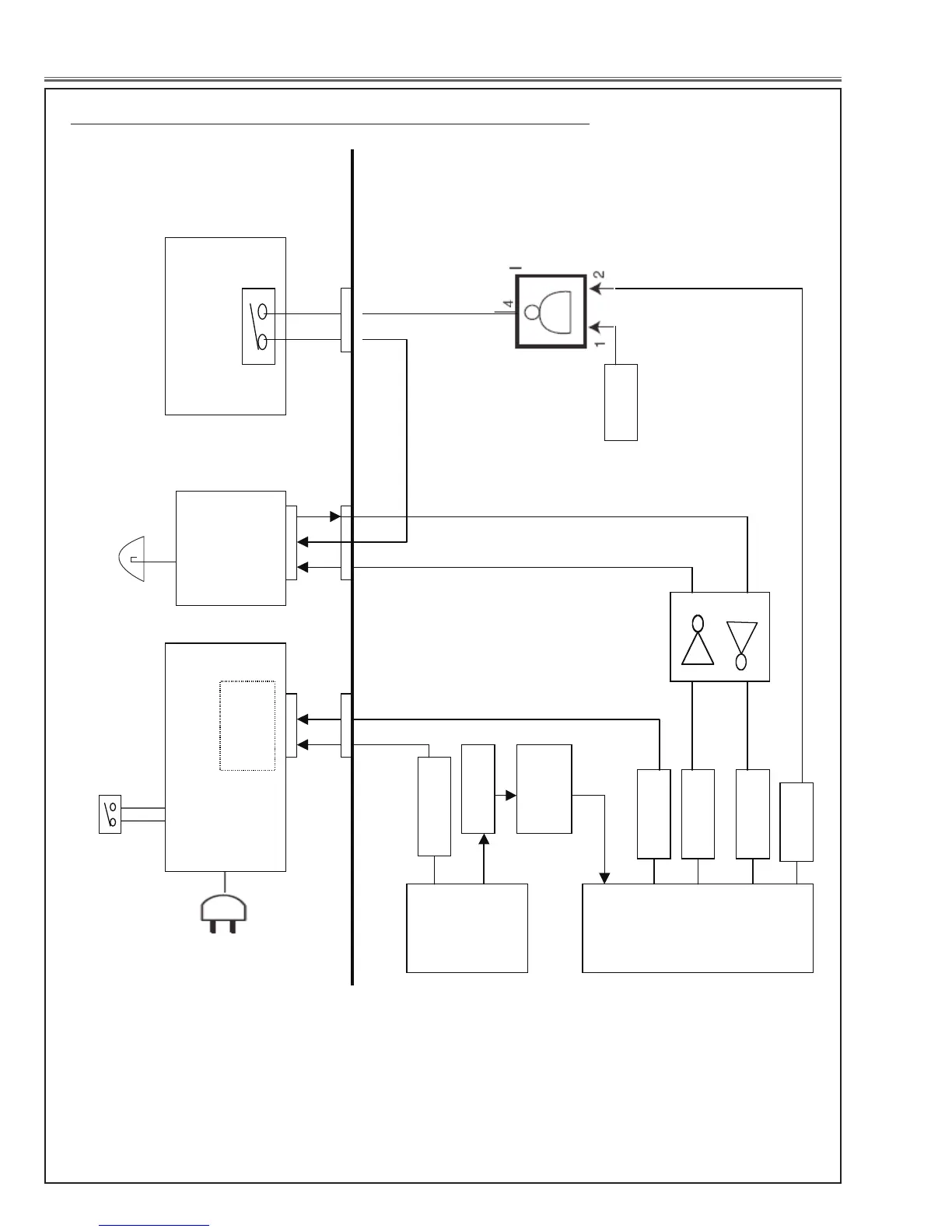
Chassis Block Diagrams
21
16
15
14
10
IC9882
K6R
K8R K8H
5 4 1
5 4 1
2 11
2 11
IC301
PW190
Scaler
LAMP_PWM
LAMP_DC_ON
IC9885
Sub
Micro
Contro
CHO_RXD
POWER_SW
CHO_TXD
IC302
BUFFER
FAN _ERR
LAMP_SCI
SW601
THERMAL SW
POWER
CONTOR
A901
LAMP
BALAST
POWER
MAIN
2 11
SW902
LAMPCOVER SW
IC4891
K8S
POWER
CONTROL
13
2
10
1
Lamp control

Table of Contents

Other manuals for Sanyo PLC-XE33

Related product manuals