EasyManua.ls Logo

SawStop CNS175 - Electrical Schematic

SawStop CNS175
112 pages
Print Icon
To Next Page IconTo Next Page
To Next Page IconTo Next Page
To Previous Page IconTo Previous Page
To Previous Page IconTo Previous Page
Loading...
SawStop 10” Contractor Saw 37
Preparing Your Saw
Preparing Your Saw for Use
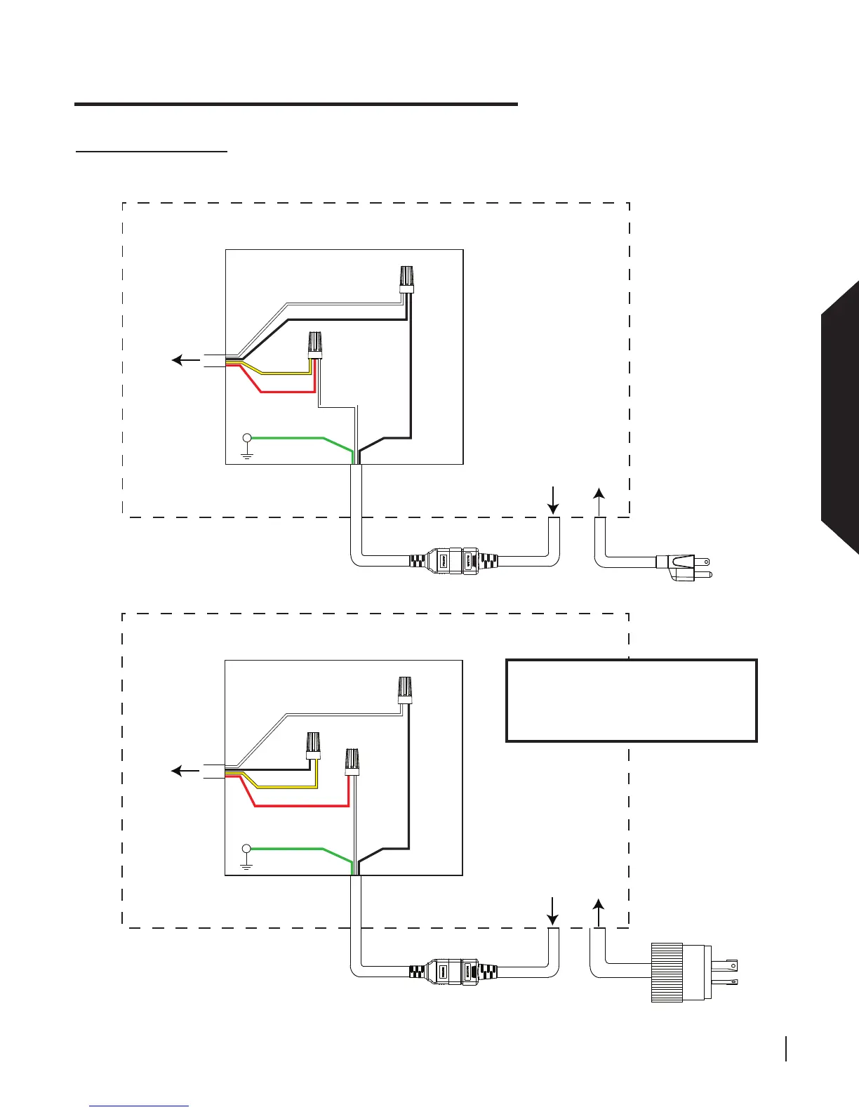
Electrical Schematic
110-120 V
to
switch
box
from
switch
box
Junction Box on Motor
to
motor
wire nut
wire nut
black
white
red
yellow
white
black
208-240 V
to
switch
box
from
switch
box
Junction Box on Motor
to
motor
wire nut
wire nut
white
black
red
yellow
white
green
208-240V Wiring Diagram
110-120V Wiring Diagram
black
green
wire nut
WARNING! Do not re-wire the
motor for 208-240V power until you
have installed a 230V contactor box
assembly (CNS-WA-014).

Table of Contents

Related product manuals