EasyManua.ls Logo

SawStop CNS175 - Push Stick Construction

SawStop CNS175
112 pages
Print Icon
To Next Page IconTo Next Page
To Next Page IconTo Next Page
To Previous Page IconTo Previous Page
To Previous Page IconTo Previous Page
Loading...
80 SawStop 10” Contractor Saw
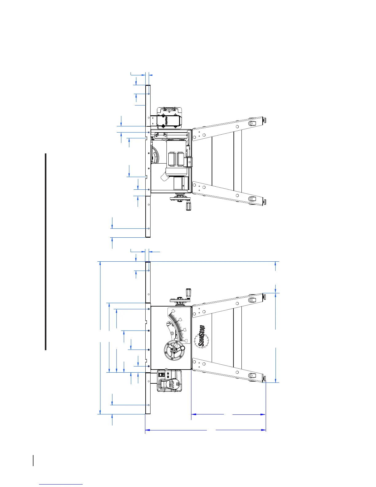
Contractor Saw Dimensions
Front View
Rear View
0
15
30
45
SawStop
10” Contractor Saw
34 3/4"
44"
20"
SawStop, the SawStop blade logo, and the
configuration of this product are either registered
trademarks or trademarks of SawStop, LLC.
Software copyright 2003-2006 by SawStop, LLC.
All rights reserved. Protected by one or more of
the following U.S. patents 6813983, 6826988,
6857345, 6877410, 6880440, 6920814, 6945148,
6945149, 6957601, 6994004, 6997090, 7000514,
7024975, 7055417, 7077039, 7098800, 7100483,
7137326, 7171879, 7197969, 7210383, 7225712,
7228772, 7231856 and Taiwan patent 143466.
Additional U.S. and foreign patents pending.
2 9/16"
1"
2 9/16"
18 5/16"
12 1/16"
1 13/16"
6 9/16"
21 1/2"
25 3/4"
9 1/8"
1"
2 9/16"
2 9/16"
11 3/16"
1 13/16"
1 13/16"
!
WARNING
Do not remove the dust shroud because
the blade will be exposed. If you contact the
blade under the table, the blade may retract
toward you and cause a severe injury.

Table of Contents

Related product manuals