EasyManua.ls Logo

Scaiola ERGE BT - Page 34

Scaiola ERGE BT
Print Icon
To Next Page IconTo Next Page
To Next Page IconTo Next Page
To Previous Page IconTo Previous Page
To Previous Page IconTo Previous Page
Loading...
34
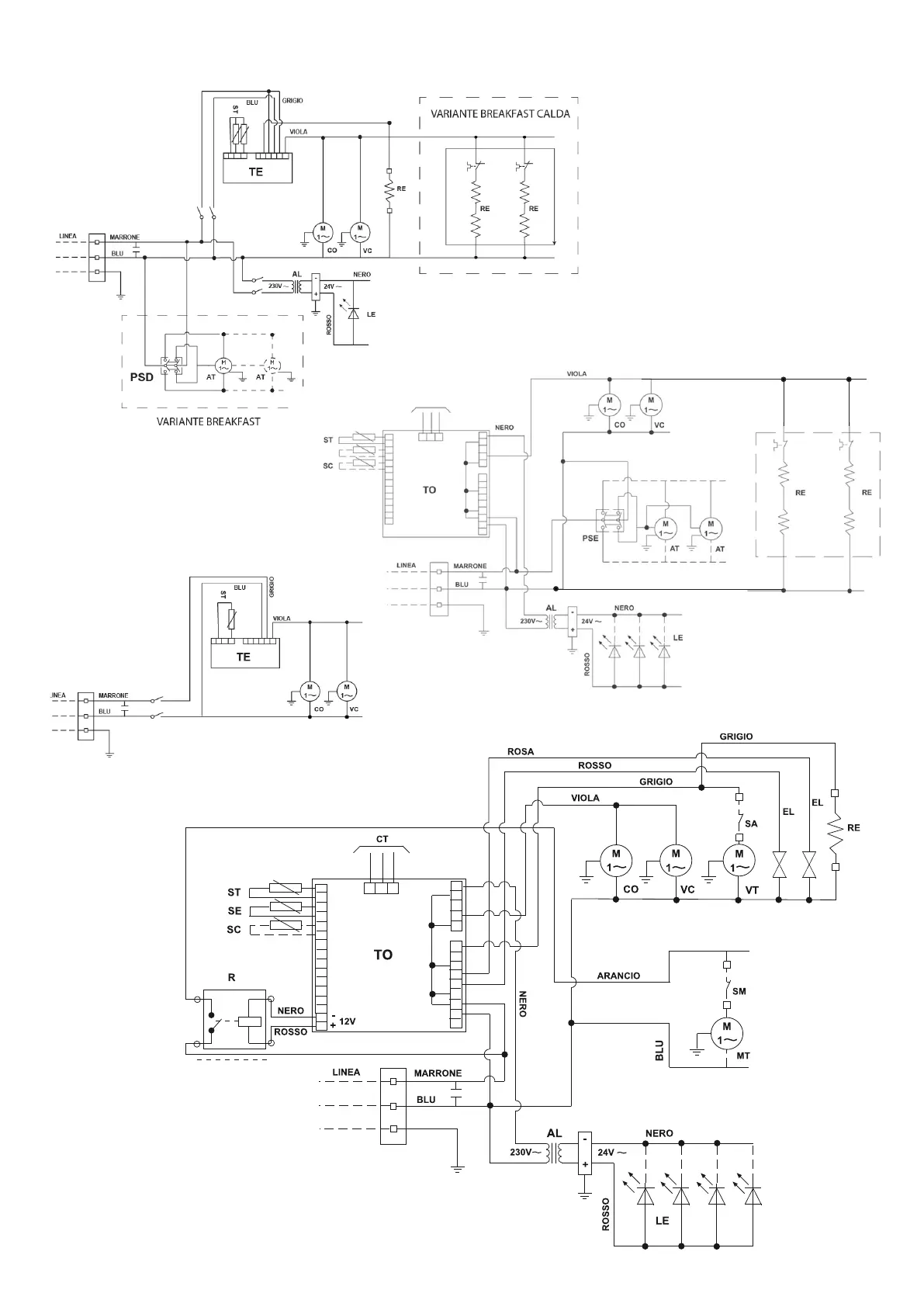
MODELLI LINEA LEGNO
BREAKFAST - BREAKFAST CALDA - BUFFET
ERGE BT
CARRELLINO
MODELLI DELUXE
BREAKFAST - BREAKFAST CALDA - BUFFET