EasyManua.ls Logo

Scaiola ERGE BT - Page 35

Scaiola ERGE BT
Print Icon
To Next Page IconTo Next Page
To Next Page IconTo Next Page
To Previous Page IconTo Previous Page
To Previous Page IconTo Previous Page
Loading...
35
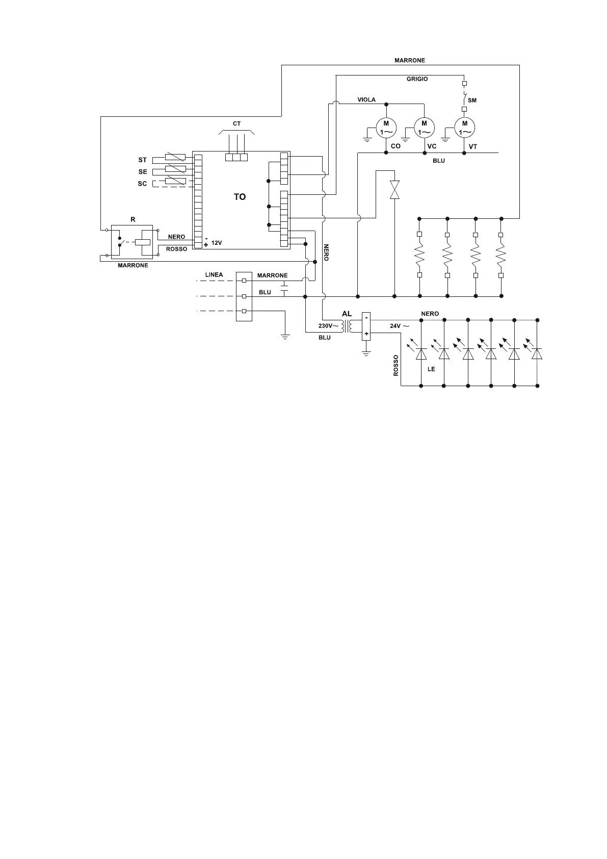
LEGENDA
  


400 BT ODISSEA
540 BT ODISSEA
MITHRA M BTV
MITHRA L BTV
A = INTERRUTTORE GRUPPO FRIGO - SCHALTER KÜHLSCHRANK - REGRIG. ON OFF SWITCH - INT. DE GROUPE FRIGO - INTERRUPTOR DE GRUPO FRIDGE - INTERRUPTOR DO GRUPO DE REFRIGERAÇÃO
AL = ALIMENTATORE - STROMVERSORGUNG - TRANSFORMER - ALIMENTATEUR - ALIMENTADOR - ALIMENTADOR
B = INTERRUTTORE GRUPPO GIRO - SCHALTER DREHAGGREGAT - ROATING ON OFF SWITCH - INT. SYSTÉME TOURNANT - INTERRUPTOR GRUPO GIRO - INTERRUPTOR DO GRUPO GIRO
C = INTERRUTTORE GRUPPO LUCE - SCHALTER BELEUCHTUNG - LIGHT ON OFF SWITCH - INT. ÉCLAIRAGE - INTERRUPTOR GRUPO LUCES - INTERRUPTOR DO GRUPO LUZ
CO = COMPRESSORE - KOMPRESSOR - COMPRESSOR - COMPRESSEUR - COMPRESOR - COMPRESSOR
EL = ELETTROVALVOLA - SOLENOID VALVE - ÉLECTROVANNE
LE = LED ILLUMINAZIONE - LED BELEUCHTUNG - LED LIGHT - LED ECLAIRAGE - LED ILUMINACIÓN - LED ILUMINAÇÃO
MT = MOTORIDUTTORE - GETRIEBÈMOTOR - MOTOREDUCER - MOTORÉDUCTEUR - MOTOR REDUCTOR - MOTOREDUTOR
PSD = INTERRUTTORE CHIUSURA/APERTURA CAPPA - SCHALTER OFFNEN/SCHLIESSEN HAUBE - INT. SLUITING/OPENING KAP - HOOD OPEN/CLOSE SWITCH - INT. OVERTURE/FERMETURE HOTTE
INTERRUPTOR CIERRE APERTURA/CAMPANA - INTERRUPTOR DE FECHO/ABERTURA DE CAPAPLE
R = RELE’ RESISTENZE - RELAY RESISTANCE - RÉSISTANCE DE RELAIS
R1 =
RESISTENZA SEMBRANTE - ELECTRICAL FRAME RESISTANCE - RÉSISTANCE DU CADRE ÉLECTRIQUE
R2 =
RESISTENZA PROFILO - ELECTRICAL RESISTANCE OF THE PROFILE - RÉSISTANCE ÉLECTRIQUE DU PROFIL
R3 =
RESISTENZA PORTA - ELECTRICAL DOOR RESISTANCE - RÉSISTANCE ÉLECTRIQUE DES PORTES
RE = RESISTENZA - TÜRRAHMENHEIZUNG - RESISTANCE - RÉSISTANCE - RESISTENCIA - RESISTÊNCIA
S = SOLO VERSIONE GIREVOLE - NUR DREHBARE VERSION - SWIVEL VERSION ONLY - VERSION ROTATIVE UNIQUEMENT - SOLO VERSIÓN GIRATORIO - APENAS VERSÃO GIRATÓRIA
SC = SONDA CONDENSATORE - KONDENSATORSONDE - CONDENSER PROBE - SONDE CONDENSATEUR - SONDA CONDENSADOR - SONDA DO CONDENSADOR
SE = SONDA EVAPORATORE - VERDAMPFERSONDE - EVAPORATOR - SONDE EVAPORATEUR - SONDA EVAPORADOR - SONDA DO EVAPORADOR
SM = SONDA MAGNETICA - MAGNETISCHE SONDE - MAGNETIC SWITCH - SONDE MAGNÉTIQUE - SONDA MAGNETICA - SONDA MAGNÈTICA
ST = SONDA TERMOSTATO - THERMOSTATSONDE - THERMOSTAT PROBE - SONDE THERMOSTAT - SONDA TERMOSTATO - SONDA DO TERMÓSTATO
TE = TERMOSTATO ELETTRONICO - ELEKTRISCHER THERMOSTAT - THERMOSTAT ELECTRONIC - THERMOSTAT ELECTRONIQUE - TERMOSTATO ELECTRÓNICO - TERMOSTATO ELECTRÓNICO
TO = SCHEDA TOUCH - TOUCH-SCHALTPLATINE - TOUCH PANEL - CARTE TOUCH - TARJETA TOUCH - PLACA TOUCH
VB = VARIANTE PER MODELLI BT - VARIANTE FÜR MODELLE BT - VARIANT FOR BT MODELS - VARIANTE POUR MODELES BT - VARIANTE PARA MODELOS BT - VARIANTE PARA MODELOS BT
VC = VENTILATORE CONDENSATORE - VENTILATOR DES KONDENSATORS - CONDENSER FAN - VENTILATEUR CONDENSATEUR - VENTILADOR CONDENSADOR - VENTILATOR CONDENSADOR
VO = VARIANTE PER MODELLI PRAL - VARIANTE FÜR MODELLE PRAL - VARIANT FOR PRAL MODELS - VARIANTE POUR MODELES PRAL - VARIANTE PARA MODELOS PRAL - VARIANTE PARA MODELOS PRAL
V1 = VALVOLA SOLENOIDE GAS CALDO - E-VENTL HEISSGAS - HOT GAS SOLENOID VALVE - SOLÉNOIDE GAZ CHAUD - VALVULA SOLENOIDE GAS CALIENTE - VÁLVULA SOLENÓIDE GÁS QUENTE
V2 = VALVOLA SOLENOIDE GAS FREDDO - E-VENTL KALTIGAS - COLD GAS SOLENOID VALVE - SOLÉNOIDE GAZ FROID - VALVULA SOLENOIDE GAS FRIO - VÁLVULA SOLENÓIDE GÁS FRIO
VT = VENTILATORE EVAPORATORE - VENTILATOR FÜR UMLUFT - FUN - VENTILATEUR - VENTILADOR - VENTILATOR