EasyManua.ls Logo

Schick CDR Wireless - Figure 11. Remote Mounting Options

Default Icon
36 pages
Print Icon
To Next Page IconTo Next Page
To Next Page IconTo Next Page
To Previous Page IconTo Previous Page
To Previous Page IconTo Previous Page
Loading...
CDR Wireless Installation B1051302 Rev. B
29
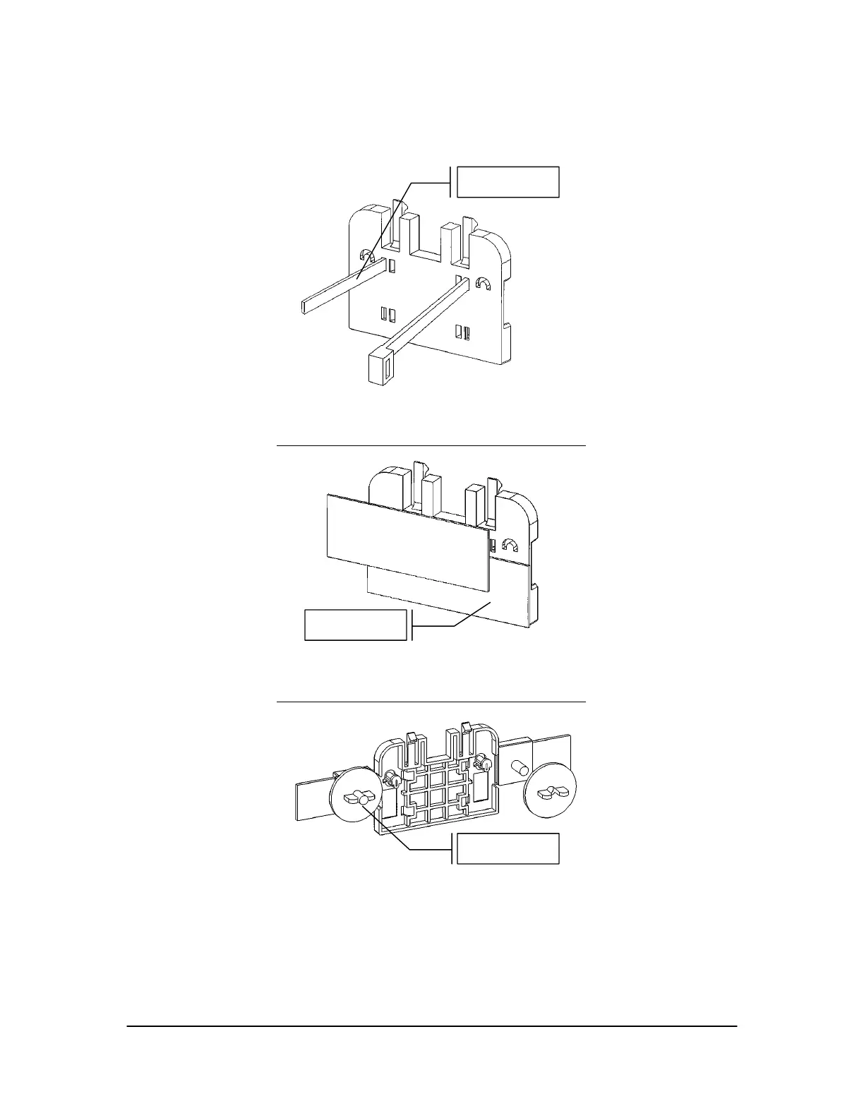
A. Ty-Wrap Placement
B. Velcro Strip Placement
C. Clip Placement on Ceiling T-Bar
Figure 12. Remote Mounting Options
Velcro Strip
Ty-Wrap
Ceiling Clip

Table of Contents

Other manuals for Schick CDR Wireless