EasyManua.ls Logo

Schiller AT-2 - Page 101

Schiller AT-2
109 pages
Print Icon
To Next Page IconTo Next Page
To Next Page IconTo Next Page
To Previous Page IconTo Previous Page
To Previous Page IconTo Previous Page
Loading...
9
Schiller AG
Altgasse 68
CH-6340 Baar
Drawn by: STR
Entw: TM 17
2391FA
05.10.99Size:
S.
Date: Sheet ofA3
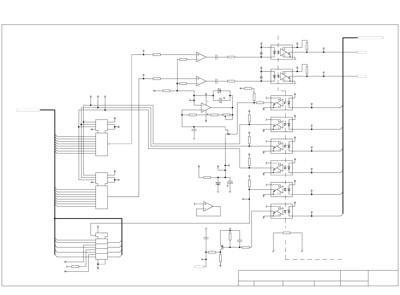
ECG Part B MK12-1 (AT-2)
ECGC[0..5]
ISOLATION
CAVEi CAVE
KONV
CHAD0
CHAD1
TRACK
CHAD3
EKGRES
ZEROSET
-2.5V
K
EBI[0..16]
M
Q
S
U
U
S
M
Q
EBI8
EBI9
EBI10
EBI11
EBI[0..16]
C3OS
C5OS
C4OS
C6OS
PMPON
RAOS
C1OS
LAOS
C2OS
EBI12
EBI13
EBI15
EBI14
EBI16
ECGC[0..5]
ECGC1
ECGC3
ECGC4
ECGC0
ECGC5
ECGC2
EBI0
EBI1
EBI2
EBI3
EBI4
EBI5
EBI6
EBI7 RA-F
C3-F
LA-F
C1-F
C5-F
C4-F
C2-F
C6-F
+5VDi
+5VDi
+5VDi
+5VDi
+5VDi
+5VDi
+5VDi
DGNDiAGNDi
+5VD
+5VD
-5VDi
-5VDi -2.5Vi
+5VD
+5VD
+5VD
+5VD
+5VD
+5VD
+5VDi
GND
GND
-5VDi
-5VDi
-5VDi
-5VDi
-5VDi
-5VDi
-5VDi
DGNDi
DGNDi DGNDi
-10Vi
-5VDi
+5VDi
+5VDi
DGNDi
DGNDi
DGNDi
DGNDi
DGNDi
DGNDi
DGNDi
DGNDi
+2Vi
-2Vi
+5VDi
1
25
4
6
U7
PC900
1
25
4
6
U8
PC900
1
25
4
6
U9
PC900
1
25
4
6
U10
PC900
1
25
4
6
U11
PC900
1
25
4
6
U12
PC900
R50
15K
R54
30K
R55
22K
R56
22K
R57
22K
Q7
BC857
R58
1K
D18
MMBD914
D19
MMBD914
R59
24K
D20
LM385 2.5V
R60
1K
R61
1K1
C50
680P
C51
10U/16V
R62
1K1
R63
1K1
C52
1N5/COG
Q8
SST270
TP16
TP17
TP18
TP19
TP21
TP22
TP23
TP24
9
15
1
2
3
6
10
11
12 13
5
4
14
7
8 16
G 1
1/
1
MUX
U19
14551
C54
100N
R64
15K
TP25
R65
1K1
R66
1K1
3
2
1
4 11
U20A
TL084
10
9
8
U20C
TL084
5
6
7
U20B
TL084
R67
15K
R68
15K
R69
15K
R70
1K
R71
1K
R72
1K
C55
4N7
C56
4N7
12
13
14
U20D
TL084
R73
1K
R74
1K
R75
1K8
VR3
VR5K
D21
LM385 1.2V
C57
1U/16V
1
2 5
4
6
U21
PC900
1
2 5
4
6
U22
PC900
TP94
TP95
TP96
TP97
TP98
TP99
TP100
TP101
-5VDi
-5VDi
-5VDi
-5VDi
A0
11
A1
10
A2
9
Y0
13
Y1
14
Y2
15
Y3
12
Y4
1
Y5
5
Y6
2
Y7
4
COM
3
VCC
16
-V
7
GND
8
E/
6
MUX/DX
U14
4051
A0
11
A1
10
A2
9
Y0
13
Y1
14
Y2
15
Y3
12
Y4
1
Y5
5
Y6
2
Y7
4
COM
3
VCC
16
-V
7
GND
8
E/
6
MUX/DX
U13
4051
R241
1K
R390
100M 10KV
WP1
WP0
WP1
WP0

Other manuals for Schiller AT-2

Related product manuals