EasyManua.ls Logo

Schiller AT-2 - Main Board MK 12-1

Schiller AT-2
109 pages
Print Icon
To Next Page IconTo Next Page
To Next Page IconTo Next Page
To Previous Page IconTo Previous Page
To Previous Page IconTo Previous Page
Loading...
Page 2.3
Chapter 2
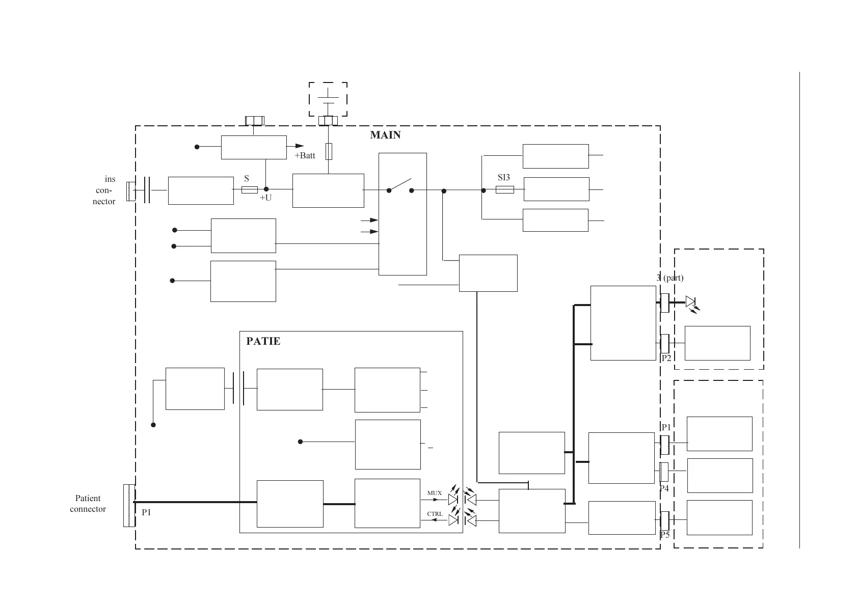
Functional Overview
SCHILLER AT-2 6-Channel ECG Unit
SERVICE HANDBOOK Issue 2.1 November 1998
PRINTER
ASSEMBLY
Paper mark
detector
Thermal print
head
Printer motor
TOP CASING
Batt. LED,
Lead LEDs,
Filter, Elec-
trode loose
Keyboard
Print head
controller
Stepper motor
controller
LED Decoder /
Keyboard
interface
System
Software
EPROM
CPU /
decoder /
Timer
DC - DC
converter
reference
voltage
Power rail
stabilisation
Signal multi-
plexer (PWM)
AC - DC
converter
Input amplifier
and filter
DC - AC
converter
400 kHz
+5Vi
+2Vi
+5Vi
-5Vi
-10Vi
+5.2Vi
1234567
1
23456
7
1234567
Patient
connector
PATIENT ISOLATION (4kVrms)
Voltage
regulator
Voltage
regulator
Switching
voltage reg.
+5V ref
+5.2V
+24V
Overvoltage
protection
Undervoltage
protection
Voltage sense
& conversion
MON
Motor running
BLOW
10.3V MON
+US
ON / OFF
control
Battery charger &
voltage regulator
Rectification
Voltage sense+US
+US
+5.2V
+24V
123
123
12
12
12
12
12
12
12
12 V
Battery
Mains
LED
Mains
con-
nector
+U
123
123
1234
1234
1234
1234
123
123
123
123
MAIN BOARD MK 12-1
TP 12 & TP 13
P3 (part)
P3 (part)
P2
P5
P4
P1
P1
+Batt
MUX
CTRL
SI3
SI1
SI2
ON from keyboard
OFF from CPU

Other manuals for Schiller AT-2

Related product manuals