EasyManua.ls Logo

Schiller AT-2 - Page 97

Schiller AT-2
109 pages
Print Icon
To Next Page IconTo Next Page
To Next Page IconTo Next Page
To Previous Page IconTo Previous Page
To Previous Page IconTo Previous Page
Loading...
5
Schiller AG
Altgasse 68
CH-6340 Baar
Drawn by: STR
Entw: TM 17
2391FA
05.10.99Size:
S.
Date: Sheet ofA3
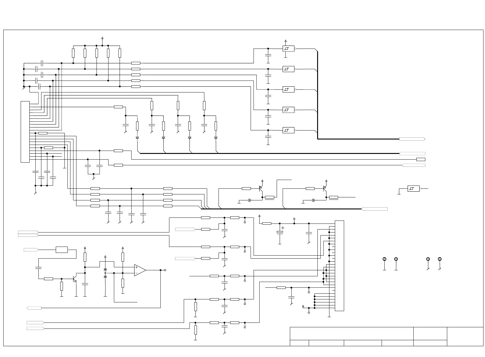
TP / KEYBOARD CONTROLLER MK12-1 (AT-2)
KEYBOARD
TPL/F
TPDF
TPCF
STRB1F
STRB2F
FIFOTPC
FIFOTPD
ON
KBS[0..3]
KBI[0..4]
LED[0..5]
LEDMAINS
TPHT
TPL/
STRB1
STRB2
KBS0KBS1KBS2KBS3
KBI0
KBI1
KBI2
KBI3
KBI4
KBI[0..4]
KBS[0..3]
TM
LED0
LED1
LED2
LED4 LED5
LEDS0
LEDS1
LED[0..5]
LED3
TPHT
TM
TPL/
TPL/
LEDS0
LEDS1
VCC
VCC VCC
+24VPR
VCC
VCCVCC
VCC
+5.2V
GND
GND
GND
GND
GND
GND
GND
GND
GNDGND
GND
GND
GND GND
CAVE
CAVE
CAVE
CAVE
CAVE
CAVE
CAVE
CAVE CAVE
CAVE CAVE CAVE CAVE
CAVE
CAVE
CAVE
GND
GNDGND CAVE CAVE
GND
CAVE CAVE
GND
GND
GND
C175
10N
C176
10N
C177
10N
C178
10N
C179
10N
C180
10N
C181
10N
C182
10N
Q38
BC857
Q39
BC857
C183
1N
D54
BZX84C5V6
D55
BZX84C5V6
TP64
AMP
TP67
AMP
R235
10K
R240
1K
R239
1K
R242
100R
R243
100R
R244
100R
R245
100R
R246
100R
R247
100R
R248
100R
R249
100R
R250
100R
R251
100R
R252
100R
R253
100R
C186
10U/16V
1
2
3
4
5
6
7
8
9
10
11
12
13
14
15
16
17
18
19
20
21
22
23
24
25
26
27
28
29
30
P3
15*2D
R256
NB/1206
C187
10N
3 4
1
U44B
74HC04
R258
10K
R259
10K
R260
10K
R261
10K
1 2
147
1
U45A
74HC14
3 4
1
U45B
74HC14
5 6
1
U45C
74HC14
9 8
1
U45D
74HC14
11 10
1
U45E
74HC14
R267
100R
R270
100R
R271
100R
C188
47N
Q40
BC847
R277
100R
R278
3R3
R110
100R
R109
100R
L8
4.7UH
L9
4.7UH
D56
MMBD914
R281
100R
D57
MMBD914
D58
MMBD914
D59
MMBD914
C199
4N7
C200
4N7
C201
4N7
R282
100R
R295
100R
R284
100R
R285
100R
C43
4N7
C204
4N7
R286
100R
R287
100R
C205
4N7
C206
4N7
C207
4N7
C208
4N7
C209
4N7
C210
4N7
R296
100R
R289
100R
R290
100R
R291
100R
R292
100R
R293
100R
TP68
NB AMP
TP69
AMP
1
2
3
4
5
6
7
8
9
10
11
12
13
14
15
16
17
18
19
20
P4
10*2D
13 12
1
U45F
74HC14
R262
47K
R263
47K
R264
47K
R265
47K
R266
47K
R276
330K
C185
10N
C184
10N
C42
10N
C211
10N
C194
220P
C195
220P
C196
220P
C198
220P
C197
220P
C192
1N5/COG
R255
100K
R257
10K
D61
BAV99
TP77
TP79
TP80
TP81
TP82
TP83
TP84
TP78
R268
10K
R269
10K
C234
47N
R340
10K
Messpunkt Messpunkt Kammerdung Potausgleich
TP93
R280
NB/R0805
R279
NB/R0805
QSMTPD
QSMTPC
5
6
7
U43B
LMC6762

Other manuals for Schiller AT-2

Related product manuals