EasyManua.ls Logo

Schiller AT-2 - Page 99

Schiller AT-2
109 pages
Print Icon
To Next Page IconTo Next Page
To Next Page IconTo Next Page
To Previous Page IconTo Previous Page
To Previous Page IconTo Previous Page
Loading...
7
Schiller AG
Altgasse 68
CH-6340 Baar
Drawn by: STR
Entw: TM 17
2391FA
05.10.99Size:
S.
Date: Sheet ofA3
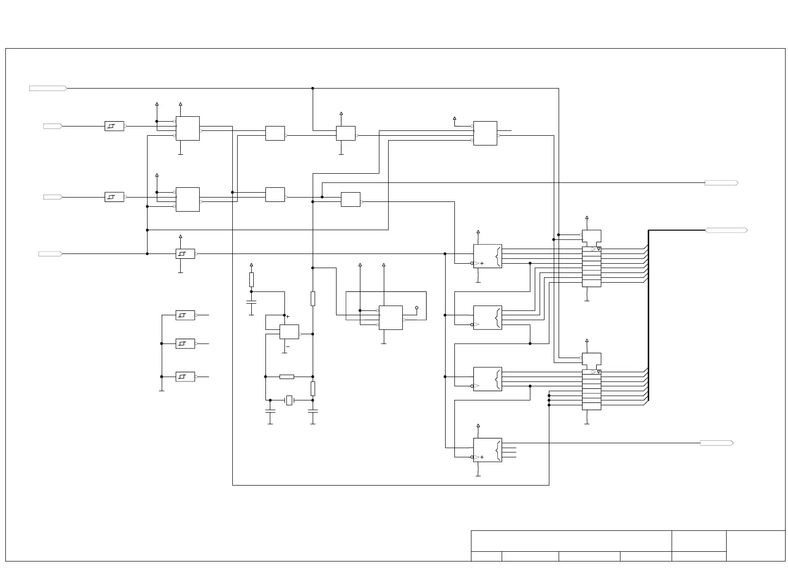
12-BIT-ZAEHLER MK12-1 (AT-2)
4
3
2
1
6
5
147
S
1
R
C1
D
U58A
74VHC74
10
11
12
13
8
9
S
1
R
C1
D
U58B
74VHC74
VCC
GND
9 8
1
U60D
74HC14
WP0
VCC
VCC
11 10
1
U60E
74HC14
WP1
1 2
147
1
U60A
74HC14
4
5 6
&
U61B
74VHC00
9
10 8
&
U61C
74VHC00
KONV
12
13 11
&
U61D
74VHC00
1
2 3
147
&
U61A
74VHC00
VCC
GND
CSCOUNT/
10
11
12
13
8
9
S
1
R
C1
D
U59B
74VHC74
VCC
3
4
5
6
2
1
147
0
3
CTRDI V16
<
TC
CT= 0
U62A
74VHC393
11
10
9
8
12
13
0
3
CTRDI V16
<
TC
CT= 0
+
U62B
74VHC393
11
10
9
8
12
13
0
3
CTRDI V16
<
TC
CT= 0
+
U63B
74VHC393
VCC
VCC
GND
GND
1
11
2
3
4
5
6
7
8
9 12
13
14
15
16
17
18
19
2010
E N
1 D
C 1
U64
74VHC574
1
11
2
3
4
5
6
7
8
9 12
13
14
15
16
17
18
19
2010
E N
1 D
C 1
U65
74VHC574
VCC
VCC
GND
GND
D0
D1
D2
D3
D4
D5
D6
D7
D8
D9
D10
D11
D12
D13
D14
D15
D[0..15]
D[0..15]
VCC
GND
4
3
2
1
6
5
147
S
1
R
C1
D
U59A
74VHC74
3
4
5
6
2
1
147
0
3
CTRDI V16
<
TC
CT= 0
U63A
74VHC393
GNDGND
R383
470R
R384 1M
3 4
1
U60B
74HC14
XT1
24MHZ
C219
4P7
C220
4P7
R385
27R
CLK24
VCC VCC
GND
1
2 4
53
&
U66
NC7S00M
GND
R386
10R
C233
47N
VCC
GND
GND
GETRES
5 6
1
U60C
74HC14
13 12
1
U60F
74HC14
TP87
OVERFL

Other manuals for Schiller AT-2

Related product manuals