EasyManua.ls Logo

Schiller AT-2plus - Page 38

Schiller AT-2plus
93 pages
Print Icon
To Next Page IconTo Next Page
To Next Page IconTo Next Page
To Previous Page IconTo Previous Page
To Previous Page IconTo Previous Page
Loading...
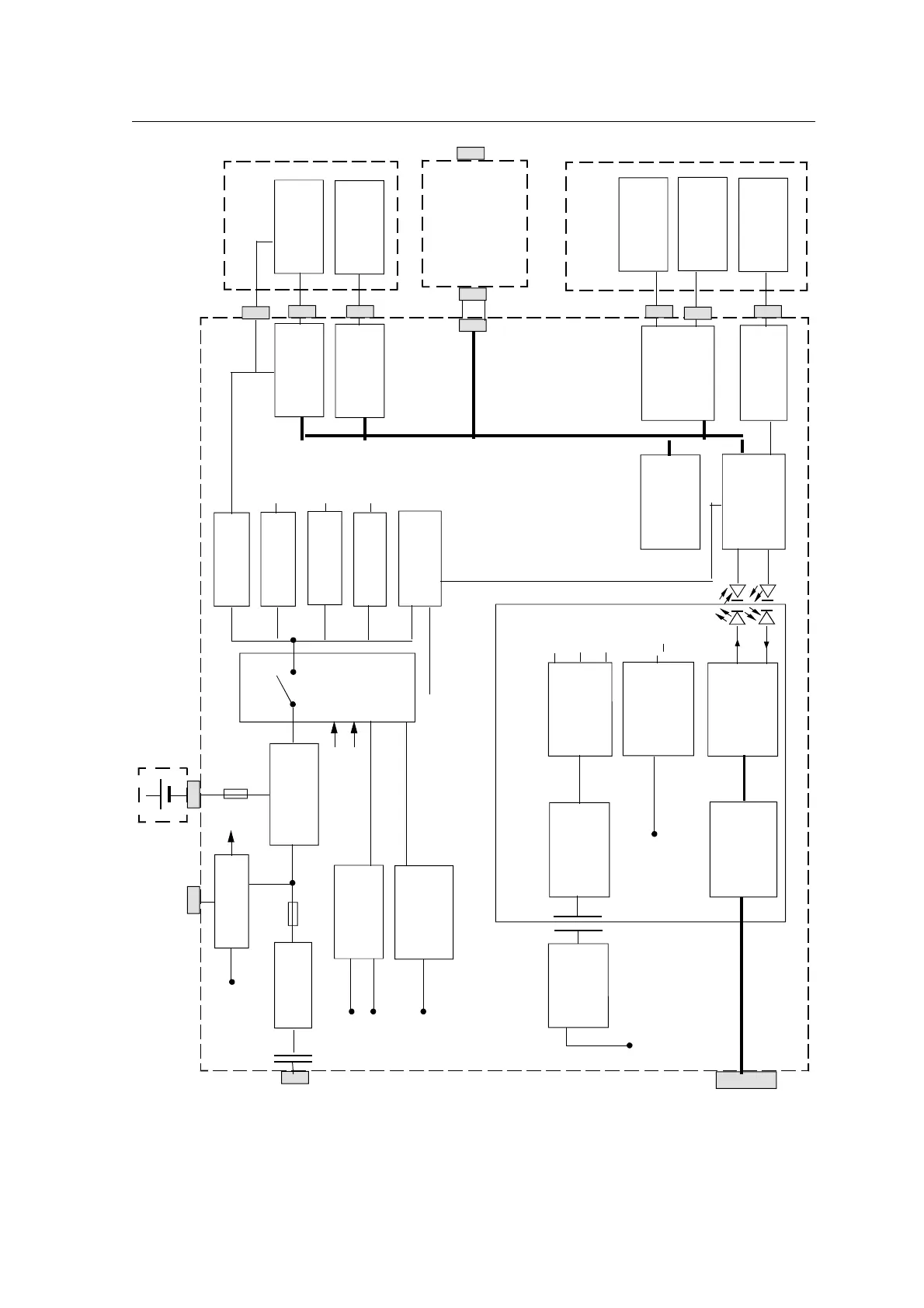
Page 2.3
Chapter 2
Functional Overview
SCHILLER AT-2plus 6-Channel ECG Unit
SERVICE HANDBOOK Issue d May 2002
PRINTER
ASSEMBLY
Paper mark
detector
Thermal print
head
Printer motor
TOP ASSEMBLY
LCD screen
Keyboard
RS-232
INTER-
FACE
Print head
controller
Stepper motor
controller
LCD controller
Keyboard
interface
FLASH
EPROM
memory
CPU
DC - DC
converter
reference
voltage
Power rail
stabilisation
Signal multi-
plexer (PWM)
AC - DC
converter
Input amplifier
and filter
DC - AC
converter
400 kHz
+5Vi
+2Vi
+5Vi
-5Vi
-10Vi
+5.2Vi
Patient
connector
PATIENT ISOLATION (4kVrms)
Voltage
regulator
Voltage
regulator
Switching
voltage reg.
+5V ref
+5.2V
+24V
Overvoltage
protection
Undervoltage
protection
Voltage sense
& conversion
MON
Motor running
BLOW
10.3V MON
+US
ON / OFF
control
Battery charger &
voltage regulator
Rectification
Voltage sense+US
+US
+5.2V
+24V
12 V
Battery
Mains
LED
Mains
con-
nector
+U
MAIN BOARD MK 14 - 10
LCD power
supply
P6
P4 (part)
P10
P4
P9
P5
P3
P2
P2
P1
P1
MUX
CTRL
+Batt
OFF from CPU
ON from keyboard
SI1
SI2

Table of Contents

Other manuals for Schiller AT-2plus

Related product manuals