EasyManua.ls Logo

SCM CUBO2 AQUA - Refrigerant Drawing (P&I)

SCM CUBO2 AQUA
138 pages
Print Icon
To Next Page IconTo Next Page
To Next Page IconTo Next Page
To Previous Page IconTo Previous Page
To Previous Page IconTo Previous Page
Loading...
EN
OEM Manual CUBO
2
AQUA
Pag. 36-EN UMT/WG T MT Rev3.0 08/10/2021
36
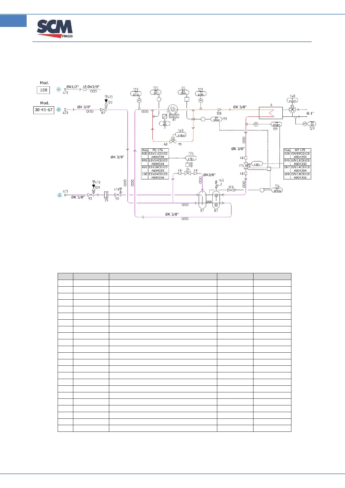
14 Refrigerant drawing (P&I)
Figure 2: P&I of a UMT/WG T with 2x2,4 l liquid receiver. Refer to the P&I included in the unit to work with the most update
version
Pos.
Ref.
Description
Note 1
Note 2
1
1
Rotary Compressor
2
2
Inverter
3
6
Gas Cooler PHE
4
148
3 Way Valve
5
29
Refrigerant filter Dryer
6
65
HP safety switch (PZH)
7
87
Liquid receivers (parallel)
8
89
Suction shut-off valve
9
90
Liquid shut-off valve
10
109
Service valve
11
125 (BPL1)
Low pressure transducer
12
129 (BTA1)
Comp. Suction temperature probe
13
129 (BTM1)
Comp. Discharge temperature probe
14
129 (BTEI)
Water In temperature probe
15
129 (BTHP)
GC outlet temperature probe
16
138
Check valve
17
145
Pressure Relief Valve
18
149 (YVBY)
By-pass solenoid valve
19
173 (BPHI1)
Discharge pressure transducer
20
174 (BPHO1)
Receiver pressure transducer
21
175 (YVTE)
High Pressure Valve (HPV)
22
176 (YVBY1)
Receiver Pressure Valve (RPRV)

Table of Contents

Related product manuals