EasyManua.ls Logo

SEA 235 - Changing the Squelch Threshold

SEA 235
104 pages
Print Icon
To Next Page IconTo Next Page
To Next Page IconTo Next Page
To Previous Page IconTo Previous Page
To Previous Page IconTo Previous Page
Loading...
FUNCTION MENUS
35
UP
DN
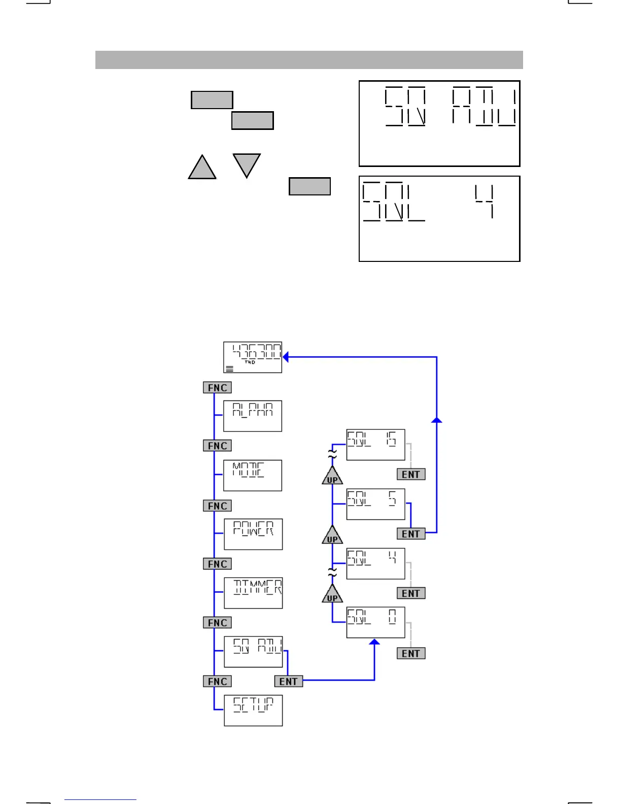
CHANGING THE SQUELCH THRESHOLD
Repeatedly press until “SQ ADJ” is
displayed, then press the key.
Each press of the or key will change
the squelch threshold setting. Press to
select the setting.
A larger number will require a stronger signal
to open the squelch.
If the squelch is turned on before adjusting the threshold, the operator can
monitor what level is needed to mute the radio.
ENT
FNC
ENT

Table of Contents