EasyManua.ls Logo

Sega WaveRunner - Page 161

Sega WaveRunner
182 pages
Print Icon
To Next Page IconTo Next Page
To Next Page IconTo Next Page
To Previous Page IconTo Previous Page
To Previous Page IconTo Previous Page
Loading...
www.seuservice.com
152
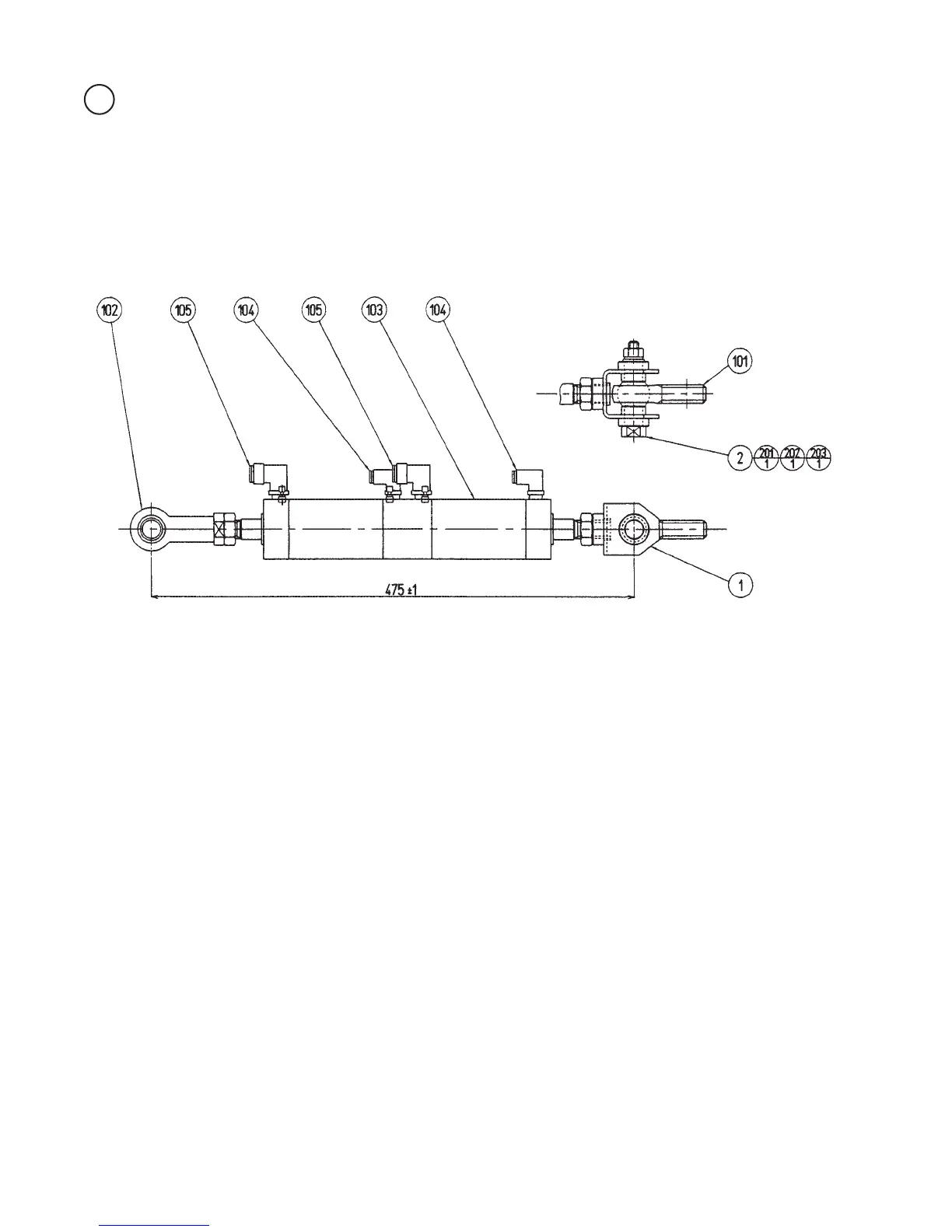
ITEM NO. PART NO. DESCRIPTION NOTE
1 MJT-3241 ROD END HOLDER
2 GLC-3016 ROD SCREW
101 111-0018 ROD END 18 THK POS 18
102 111-0026 ROD END PHS 18
103 601-8853 AIR CYLINDER B-50-50-50
104 601-6715 AIR JOINT 6-1/4 L TYPE
105 601-6274 AIR JOINT
201 050-H01000 HEX NUT M10
202 060-F01000 FLT WSHR M10
203 060-S01000 SPR WSHR M10
23 ASSY REAR CYLINDER (MJT-3240)

Table of Contents

Related product manuals