EasyManua.ls Logo

SELPRO ESY 1 - Electrical Connections; Power Supply Connection

SELPRO ESY 1
25 pages
Print Icon
To Next Page IconTo Next Page
To Next Page IconTo Next Page
To Previous Page IconTo Previous Page
To Previous Page IconTo Previous Page
Loading...
User Manual ESY-1 / rev. 9 15.01.2008 www.selproweb.com
7
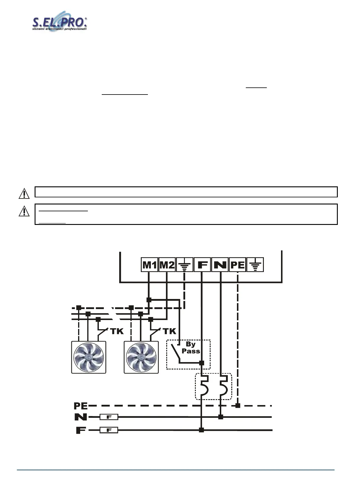
5. ELECTRICAL CONNECTIONS
Connect the controller as shown in the figure below, paying attention to the following points.
5.1. Power Supply Connection (Terminal Block M1)
-Before supplying power to the unit, check carefully the power connection and the efficiency of EARTH
connection.
-Ensure that power conductors and EARTH CABLES have a cross section suitable to the connected load.
-Place a couple of fuses with suitable amperage upstream of the disconnector.
-Do NOT install the device in environments where ambient temperature may exceed the maximum values allowed (T
amb
50°C).
-Mount the equipment vertically, in order to encourage heat dissipation and to ensure sufficient air circulation in a free space
measuring at least 150 mm above and below the regulator.
-If the mains supply is "disturbed", which may be due to other electrical power components causing irregularities in the supply, it is
recommended to install supplementary SINGLE phase ‘SURGE ARRESTER’ filters directly on the regulator supply.
-Do NOT alter or damage the identification stickers on the equipment.
-NEVER force the rotary switches beyond their mechanical end stops.
-The power cables (power supply and load), must be installed separately from the control cables, keeping the maximum possible
distance between the power and signal conductors.
-Do not mix power cables and signal cables in the same raceway. Where cables must cross one another, ensure they are at an
angle as near to 90° as possible to minimize interference.
WARNING : Use heat resistant cables, able to withstand a temperature rated at 90° or above.
SURGE ARRESTER : electric protection placed between the regulator supply and the earth, meant to protect the device from
transient overvoltage.
WARNING: Do NOT use differential switches with values lower than 100mA
-It is advisable to provide a by-pass switch in order to run the load even in case of disconnector failure (emergency by-pass). When
connecting the by-pass, it is necessary to keep the phase correspondence unaltered.

Table of Contents

Related product manuals