EasyManua.ls Logo

Sensitron SMART3G-D2 - Schemi DI Funzionamento

Default Icon
Print Icon
To Next Page IconTo Next Page
To Next Page IconTo Next Page
To Previous Page IconTo Previous Page
To Previous Page IconTo Previous Page
Loading...
ITALIANO
Pag. 6
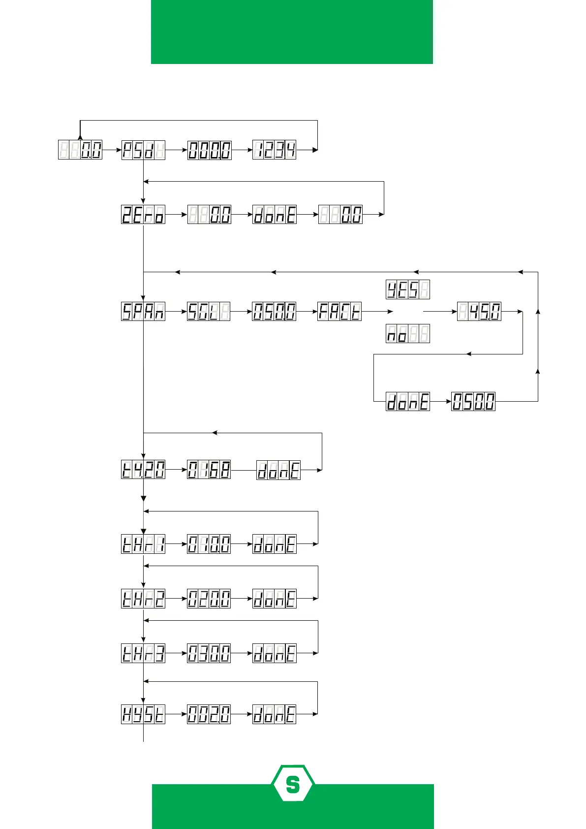
3.2 Schemi di funzionamento
Impostazione soglie di allarme,
solo tramite password 5345
Valore di “span confermato
ESC
ENTER
*
ESC
ENTER
*
Start
NEXT
NEXT
NEXT
ENT
NEXT
NEXT
ENT
ENT
ENT
ENT ENT ENT
ENT ENT ENT ENT ENT
ENTENT
ENT ENT ENT
(20.9 se rilevatore per ossigeno)
la cifra in modifica è lampeggiante* Set Value:
con ENT la cifra in modifica passa alla successiva
selezionando NEXT il valore della cifra aumenta di 1,
Concentrazione attuale
Concentrazione bombola di gas
Valore di “zero confermato
“Zero Attuale
*
Start
*
*
*
*
NEXT
NEXT
NEXT
NEXT
NEXT
NEXT
NEXT
la cifra in modifica è lampeggiante* Set Value:
ENT ENT ENT
ENTENTENT
ENT ENT ENT
ENT ENT ENT
ENT
ENT
ENT
ENT
ENT
ENT
ENT
ENT
ENT
selezionando NEXT il valore della cifra aumenta di 1,
con ENT la cifra in modifica passa alla successiva

Related product manuals