EasyManua.ls Logo

Sensitron SMART3G-D2 - SMART3 G Menu Flow Diagrams

Default Icon
Print Icon
To Next Page IconTo Next Page
To Next Page IconTo Next Page
To Previous Page IconTo Previous Page
To Previous Page IconTo Previous Page
Loading...
ENGLISH
Pag. 16
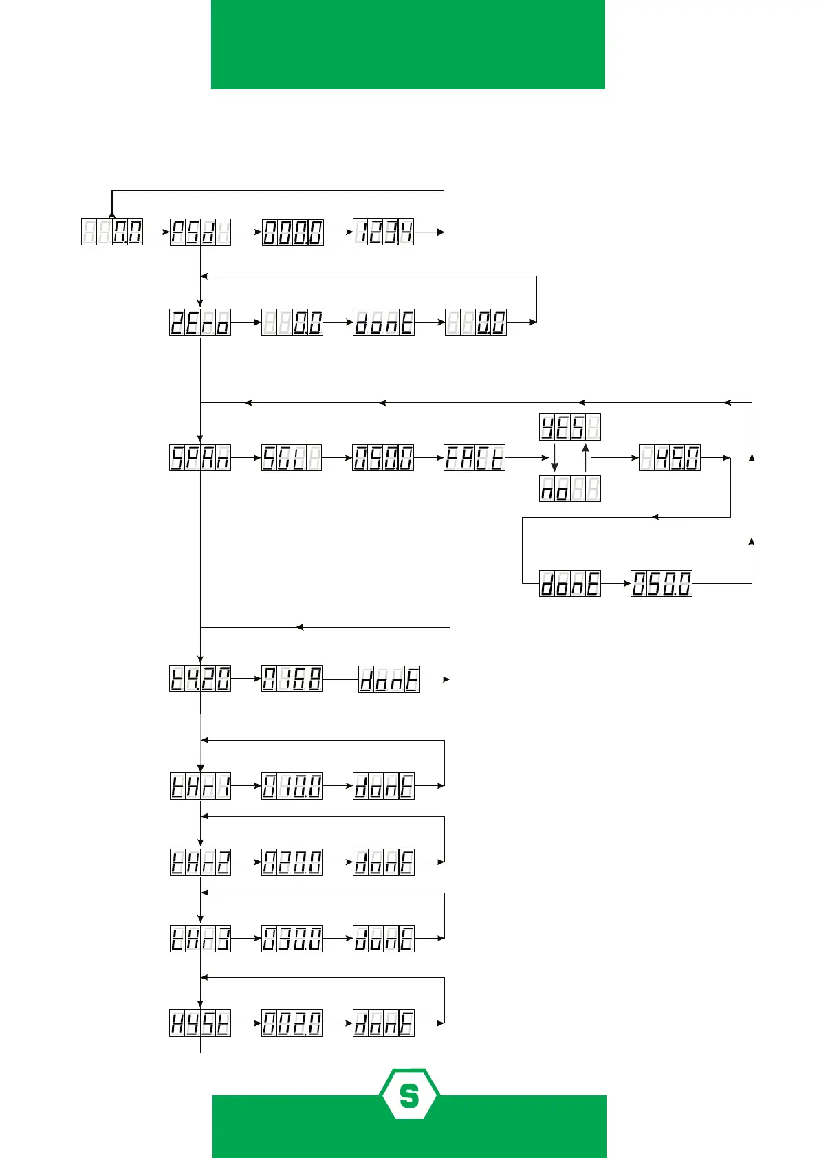
3.2 Menu diagrams
Span value confirmed
ESC
Actual gas reading
ENTER
Span value
*
ESC
ENTER
Zero value confirmed
Actual zero
*
Start
NEXT
NEXT
NEXT
ENT
NEXT
NEXT
ENT
ENT
ENT
ENT ENT ENT
ENT ENT ENT ENT ENT
ENTENT
ENT ENT ENT
(20.9 in case of oygen gas detector)
the modifyng value is blinkg* Set Value:
by NEXT the value increases by 1,
by ENT the modifiable digit switches to the next one
*
Start
*
*
*
*
NEXT
NEXT
NEXT
NEXT
NEXT
NEXT
NEXT
the modifyng value is blinkg* Set Value:
ENT ENT ENT
ENTENTENT
ENT ENT ENT
ENT ENT ENT
ENT
ENT
ENT
ENT
ENT
ENT
ENT
ENT
ENT
by NEXT the value increases by 1,
by ENT the modifiable digit switches to the next one
Settings of alarm thresholds,
only by password 5345.

Related product manuals