EasyManua.ls Logo

Sepson SEPMATIC - Page 38

Sepson SEPMATIC
91 pages
Print Icon
To Next Page IconTo Next Page
To Next Page IconTo Next Page
To Previous Page IconTo Previous Page
To Previous Page IconTo Previous Page
Loading...
WORLD CLASS WINCHES
RELIABLE - DEPENDABLE - UNCOMPLICATED
37
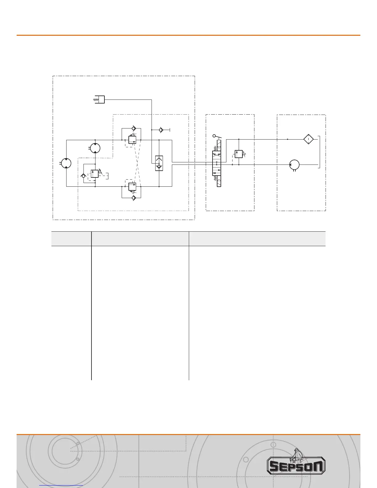
Diagram for 2-speed hydraulic system
0003-02
1.1.4
V1
V2
1.3
1.2
3.12.1
3.2
2.2
3.33.4
1.1.1
1.1
1.1.3
1.1.2
1
2 3
P
A
B
T
Position Part Explanation
1 Winch with hydraulics
1.1 Hydraulic block Combining sequence valve, double
overcentre valve, shuttle valve and
pressure gauge outlet mounted direct
on to one of the motors. The ports
marked V1 and V2 are for the hydraulic
connections from the control valve on
the vehicle´s hydraulic system. They
both have R 3/4” thread.
1.1.1 Sequence valve This automatically regulates the rope
speed and pulling force of the winch. It
is adjusted and sealed before leaving
the factory.
Winch basics

Related product manuals