EasyManua.ls Logo

Shark 100 - Page 73

Shark 100
194 pages
Print Icon
To Next Page IconTo Next Page
To Next Page IconTo Next Page
To Previous Page IconTo Previous Page
To Previous Page IconTo Previous Page
Loading...
Doc# E145701 4 - 15
4: Electrical Installation
Electro Industries/GaugeTech
The Leader In Power Monitoring and Smart Grid Solutions
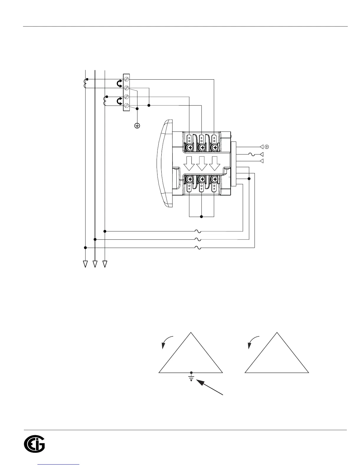
5. Service: Delta, 3-Wire with No PTs, 2 CTs
Select: “2 CT DEL” (2 CT Delta) from the Shark® meter’s Front Panel Display. (See
Chapter 6.)
lc
HI
LO
lb
HI
LO
la
HI
LO
Earth Ground
L(+)
Power
Supply
Connection
N(-)
L(+)
GND
N(-)
Vref
Va
Vb
Vc
LINE
LOAD
CT
Shorting
Block
FUSES
3 x 0.1A
FUSE
3A
C
C
B
B
A
A
Not connected to meter
C
BA
C
BA

Table of Contents

Related product manuals