EasyManua.ls Logo

Sharp R-775W - Power Unit Circuit Diagram

Sharp R-775W
46 pages
Print Icon
To Next Page IconTo Next Page
To Next Page IconTo Next Page
To Previous Page IconTo Previous Page
To Previous Page IconTo Previous Page
Loading...
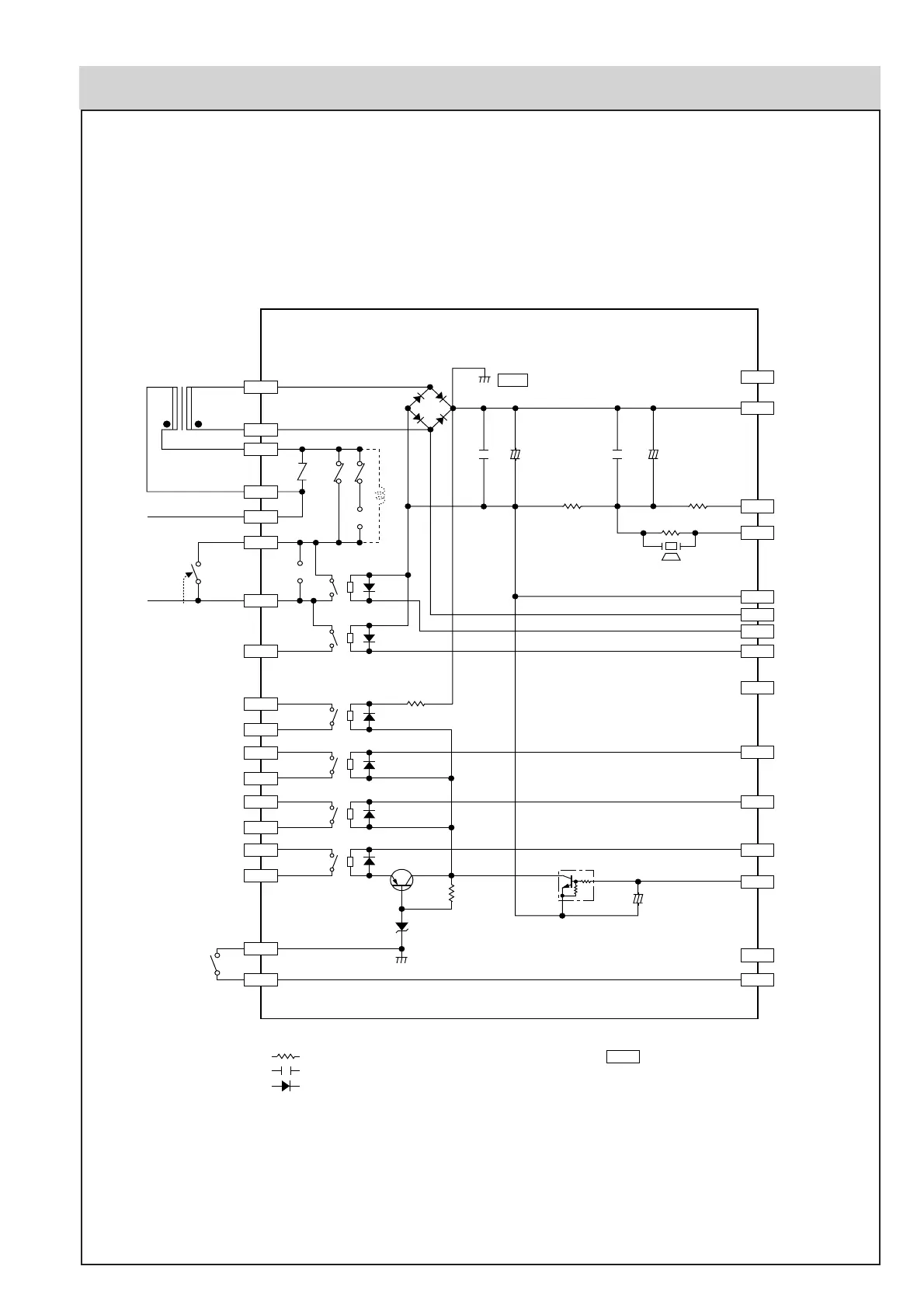
R-775(W)R-785(AL) - 37
Figure S-2. Power Unit Circuit
E 1
WH1-4
WH1-3
WH1-6
WH1-9
WH1-5
WH1-8
WH1-7
WH1-1
WH1-2
WH1-n
WH1-10
WH1-12
WH1-13
WH1-14
WH1-15
WH1-11
E 3
E 5
E 7
T1
AC230V
50Hz
FAN MOTOR
NC
GND
GND
R3 510 1w
R6 200 1w
Q2
KTA1274
Q3
KRC243M
R4 510 1w
D11-D14
1N4005E
or
1N4004S
RY5
ab
c
d
D11
D12
D13
D14
C1
VRS1
(J1)
(J2)
D5
RY6
D6
RY1
D1
R2
1.5k
ZD2
HZ20-1
RY4
D4
RY3
D3
RY2
D2
10G471K
C3
C2 1000µ/35v
C5
10µ/35v
C4 10µ/35v
R5 3.3k
SP1
VC
BUZZER
VR
INT
NC
POWER
CONTROL
STOP
SWITCH
NC
BOTTOM
HEATING
ELEMENT
GRILL
HEATING
ELEMENT
HIGH VOLTAGE
TRANSFORMER
STOP
SWITCH
OVEN LAMP
TURNTABLE
MOTOR
DOOR OPEN
CONTACT
A 1
A 3
A 5
A 7
N O
N O
N O
N O
COM
COM
COM
COM
B 2
B 1
NOTE 1. NOTE 2.
+
+
+
: IF NOT SPECIFIED, 1/4W ± 5% 15P WIRE HARNESS
: IF NOT SPECIFIED, 0.1µF / 50V
: IF NOT SPECIFIED, 1SS270A
POWER UNIT CIRCUIT DIAGRAM

Related product manuals