EasyManua.ls Logo

Sharp XG-PH70X - Page 146

Sharp XG-PH70X
208 pages
Print Icon
To Next Page IconTo Next Page
To Next Page IconTo Next Page
To Previous Page IconTo Previous Page
To Previous Page IconTo Previous Page
Loading...
XG-PH70X/XG-PH70X-N (1st. Edition)
8 – 64
1
23
4567 910
8
J
A
B
C
D
E
F
G
H
I
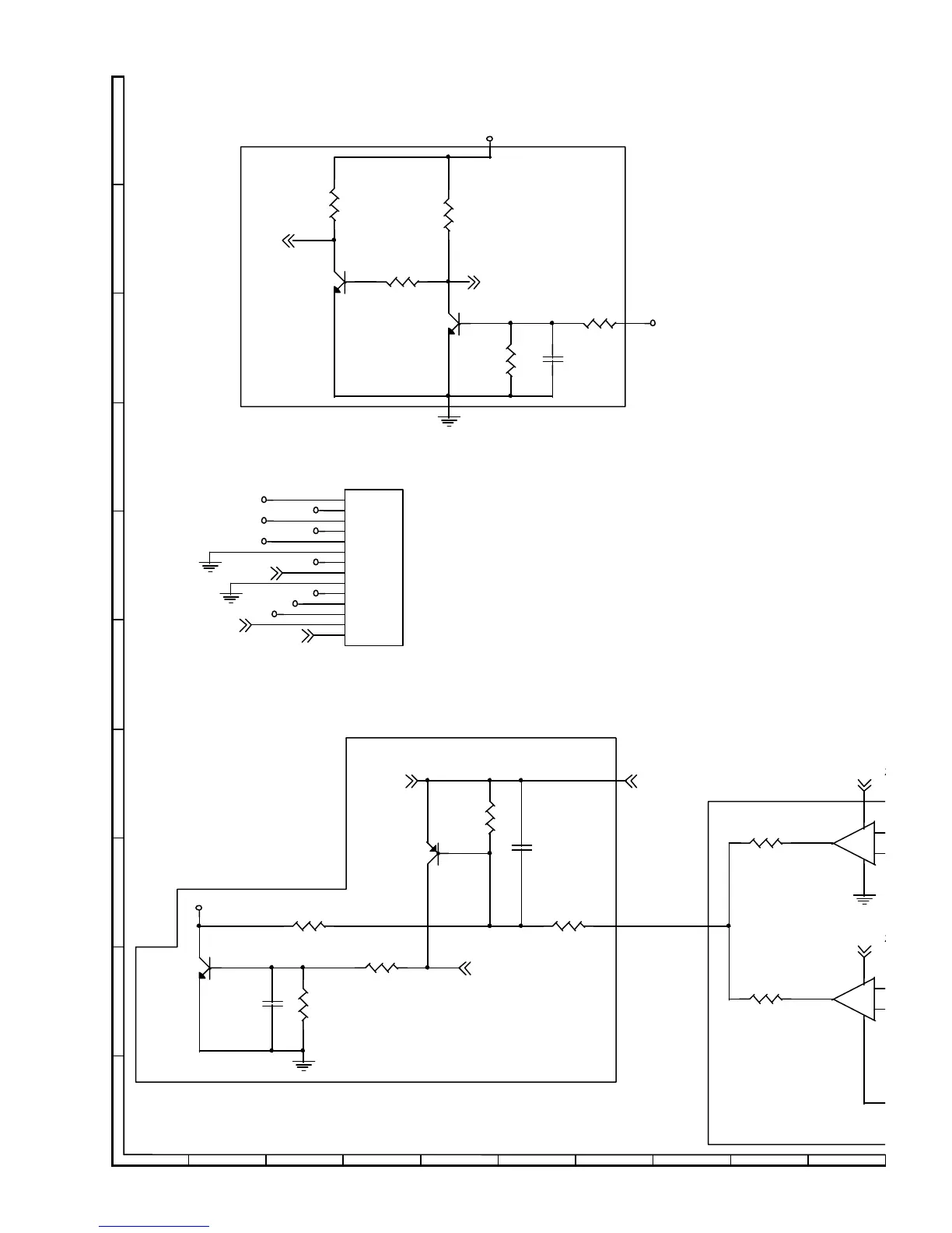
LVPS CONTROL Unit
14
2
4
8
8
13
1
ENABLE1Z
ENABLEZ
Bu4V_SWZBu4V_SWZ
PP_SIGZ
Bu4V_SW
Z
Bu4V_SW
Z
ENABLE1Z
PP_SIGZ
Bu4V_SWZ
PCON1Z
+5V75Z
GNDFEEZ
GNDF
E
SEN_1Z
GNDFEEZ
VCCZ
+5V75Z
PCON1Z
D2Z
+2V5Z
GNDZ
SEN_1Z
GNDFEEZ
2V5_REFZ
G2Z
G1Z
1U/50V
C281
CN252
CONN BD
1
2
3
4
5
6
7
8
9
10
11
12
13
14
+5V75Z
PCON1Z
VCCZ
SEN_1Z
2V5_REFZ
GNDZ
+2V5Z
BU4V_SWZ
GNDFEEZ
D2Z
G1Z
G2Z
PP_SIGZ
ENABLE1Z
10KF/0805
R281
4.75
K
1U/50V
C280
Q201
MMBT3904L
3
1
2
Q202
MMBT3904L
3
1
2
6.2KF/0805
R283
R259
4.75KF/0805
R260
4.75KF/0805
+
-
U280A
LM393DR
3
2
1
84
+
-
U280B
LM393DR
5
6
7
84
R258
10KF/0805
Q281
MMBT3906L
3
1
2
Q280
MMBT3904L
3
1
2
R257
1KF/0805
0.1U/50V
C259
R263
4.75KF/0805
0F/0805
R287
0F/0805
R288
4.75KF/0805
R284
4.75KF/0805
R285
4.75KF/0805
R282

Table of Contents

Other manuals for Sharp XG-PH70X

Related product manuals