EasyManua.ls Logo

Sharp XG-PH70X - Page 147

Sharp XG-PH70X
208 pages
Print Icon
To Next Page IconTo Next Page
To Next Page IconTo Next Page
To Previous Page IconTo Previous Page
To Previous Page IconTo Previous Page
Loading...
XG-PH70X/XG-PH70X-N (1st. Edition)
8 – 65
11 1312 14 15 16 18 1917
12
10
7
3
6
11
5
6
8
!
1
3
ENABLEZ
GNDZ
Bu4V_SWZ
Bu4V_SWZ
GNDZ
GNDZ
G2Z
+2V5Z
D2Z
GNDZ
VCCZ
GNDZ
G1Z
VCCZ
GNDZ
+5V75Z
GNDFEEZ
GNDFEEZ
2V5_REFZ
GNDFEEZ
GNDZ
GNDFEEZ
SKD1
SS14
C258
NC
C257
5600pF/50V
R255
NC
C254
10U/10V
4.75KF/0805
R290
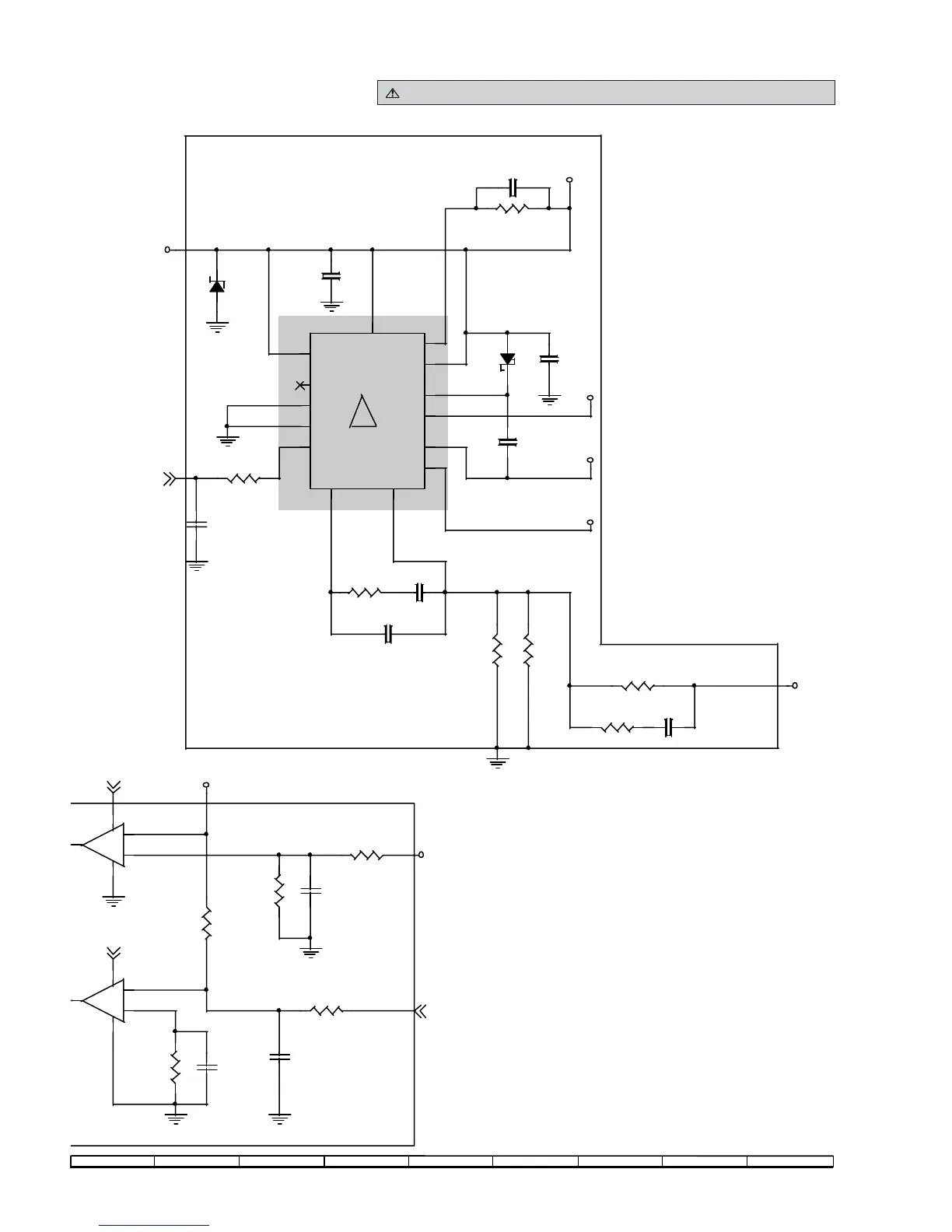
IC254 ISL6526
4
5
10
1
9
6
3
13
14
12
2
8
7
11
CT1
CT2
CPGND
GND
ENABLE
OCSET
CPVOUT
BOOT
UGATE
PHASE
LGATE
COMP
FB
VCC
C252
0.1U50V
R254
2.26K/0805
8.66KF/0805
R294
R252
6.49K/0805
R253
1.07KF/0805
R251
9.53K0805
+
-
0
A
9
3DR
3
2
1
84
R264
6.2KF/0805
+
-
0
B
9
3DR
5
6
7
84
R256
470/0805
5.62KF/0805
R292
C262
0.1U/50V
ZD251
6.8B
C251
1000P/0805
150KF/0805
R289
4.75KF/0805
R293
1U/50V
C285
1000P/50V
C286
C255
0.1UF/50V
3300P/50V
C284
C256
33pF/50V
AND SHADED COMPONENTS=SAFETY RELATED PARTS

Table of Contents

Other manuals for Sharp XG-PH70X

Related product manuals