EasyManua.ls Logo

Sharp XG-PH70X - Page 157

Sharp XG-PH70X
208 pages
Print Icon
To Next Page IconTo Next Page
To Next Page IconTo Next Page
To Previous Page IconTo Previous Page
To Previous Page IconTo Previous Page
Loading...
XG-PH70X/XG-PH70X-N (1st. Edition)
8 – 75
11 1312 14 15 16 18 1917
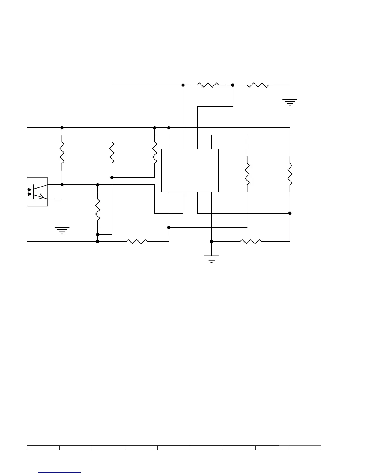
R1100
33K,5%
0603
R1105 0,5%
0603
R1107
NC
1/16W,5%
R1103
10K,5%
0603
R1104 10K,5%
0603
IC1101
LM393A
1
2
3
5
6
7
8
4
OUT1
-
+
+
-
OUT2
VCC
GND1
R1102
10K,5%
0603
2
(GP2S40)
R1106
NC
1/10W,5%
R1110
NC
1/16W,5%
R1108
NC 1/16W,5%
R1109
NC 1/16W,5%

Table of Contents

Other manuals for Sharp XG-PH70X

Related product manuals