EasyManua.ls Logo

Sharp XG-PH70X - Page 158

Sharp XG-PH70X
208 pages
Print Icon
To Next Page IconTo Next Page
To Next Page IconTo Next Page
To Previous Page IconTo Previous Page
To Previous Page IconTo Previous Page
Loading...
XG-PH70X/XG-PH70X-N (1st. Edition)
8 – 76
1
23
4567 910
8
J
A
B
C
D
E
F
G
H
I
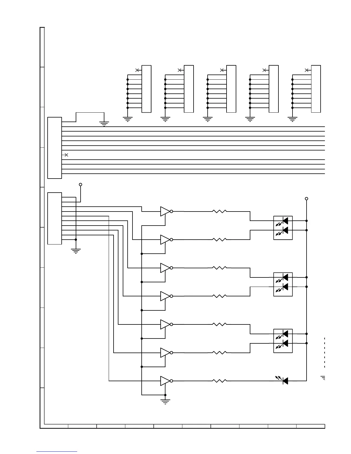
KEY PAD Unit
4
21
3
3
1
4
2
2
34
1
GREEN
GREEN
GREEN
RED
RED
RED
RED
POWER
LAMP1
LAMP2
TEMP
21
Ko3
ON_KEY
Ko1
Ko2
Ki1
Ko5
Ko4
LAMP2RLED
LAMP1GLED
TEMPLE
D
POWLED
STBYLED
LAMP2GLED
LAMP1RLED
ki3
ki4
ki5
B+3V3AT
B+3V3AT
R2205
150
0603
R2206
390
0603
R2207
390
0603
Q2202
C144EUA
2 3
1
D2202
SML-521
SC1
CON9
1
2
3
4
5
6
7
8
9
Q2204
C144EUA
2 3
1
D2204
0196TA
R2201
150
0603
SC3
CON9
1
2
3
4
5
6
7
8
9
Q2206
C144EUA
2 3
1
SC2201
53261-1290
1
2
3
4
5
6
7
8
9
10
11
12
SC5
CON
9
1
2
3
4
5
6
7
8
9
D2201
SML-521
SC4
CON9
1
2
3
4
5
6
7
8
9
D2203
SML-521
Q2203
C144EUA
2 3
1
Q2201
C144EUA
2 3
1
Q2205
C144EUA
2 3
1
SC2
CON9
1
2
3
4
5
6
7
8
9
R2202
390
0603
R2203
150
0603
R2204
390
0603
SC2202
53261-1090
1
2
3
4
5
6
7
8
9
10
Q2207
C144EUA
2 3
1

Table of Contents

Other manuals for Sharp XG-PH70X

Related product manuals