EasyManua.ls Logo

Sharp XG-PH70X - Page 159

Sharp XG-PH70X
208 pages
Print Icon
To Next Page IconTo Next Page
To Next Page IconTo Next Page
To Previous Page IconTo Previous Page
To Previous Page IconTo Previous Page
Loading...
XG-PH70X/XG-PH70X-N (1st. Edition)
8 – 77
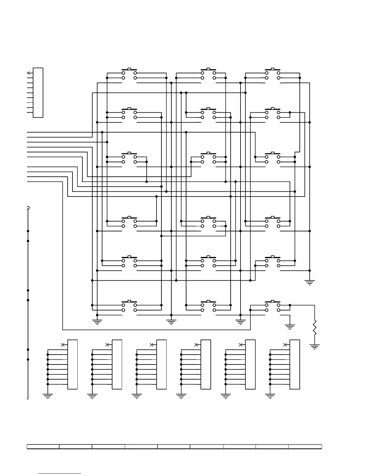
11 1312 14 15 16 18 1917
FOCUS(+)
FOCUS(-)
VULUME-(LEFT)
VULUME+(RIGHT)
RETURN(UNDO)
AUTOSYNC
LENS SHIFT
ZOOM(+)ZOOM(-)
KEYSTONE
STANDBY
ENTER INPUT1,2,3
UP
DOWN
ONMENU
INPUT4,5
V
3AT
S2218
PAO12WJ
S2205
PAO12WJ
SC10
CON9
1
2
3
4
5
6
7
8
9
S2204
PAO12WJ
SC7
CON9
1
2
3
4
5
6
7
8
9
S2216
PAO12WJ
S2201
PAO12WJ
S2209
PAO12WJ
S2202
PAO12WJ
S2206
PAO12WJ
SC6
CON9
1
2
3
4
5
6
7
8
9
SC9
CON9
1
2
3
4
5
6
7
8
9
S2212
PAO12WJ
S2208
PAO12WJ
S2211
PAO12WJ
S2214
PAO12WJ
S2217
PAO12WJ
R2208
0
0603
S2210
PAO12WJ
S2203
PAO12WJ
SC8
CON9
1
2
3
4
5
6
7
8
9
SC11
CON9
1
2
3
4
5
6
7
8
9
SC5
CON9
1
2
3
4
5
6
7
8
9
S2207
PAO12WJ
S2215
PAO12WJ
S2213
PAO12WJ

Table of Contents

Other manuals for Sharp XG-PH70X

Related product manuals