EasyManua.ls Logo

Shibaura SX21 - Page 65

Shibaura SX21
314 pages
Print Icon
To Next Page IconTo Next Page
To Next Page IconTo Next Page
To Previous Page IconTo Previous Page
To Previous Page IconTo Previous Page
Loading...
ENGINE SYSTEMS
64
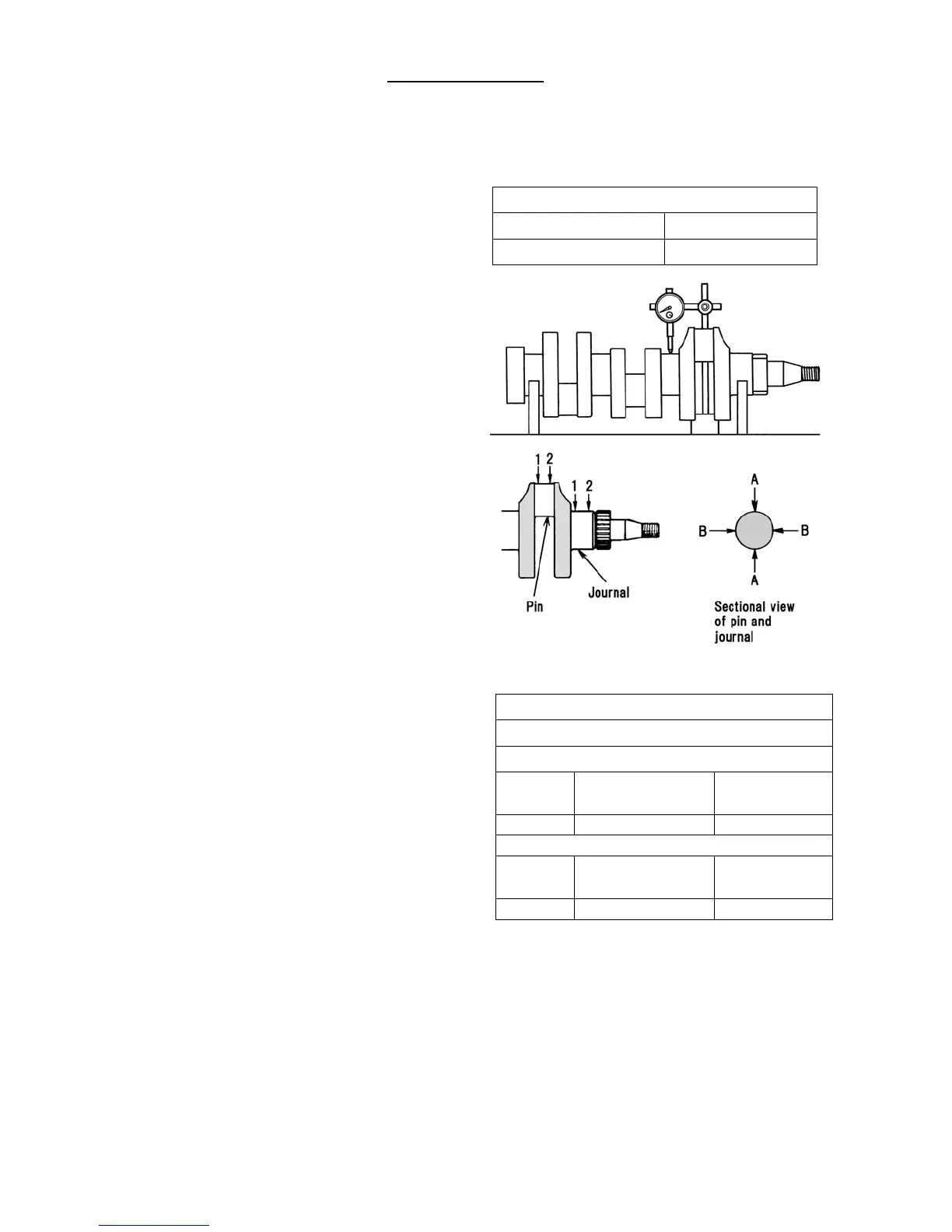
9) Crankshaft
Inspection
(1) To measure run-out of the crankshaft, support the
crankshaft using a V block as shown in the right
figure, apply a dial gauge to the crankshaft center
journal, read the indication on the dial gauge rotating
the shaft one turn gently. If the service limit is
exceeded, replace with new one.
(2) Check the crankshaft oil seal for damage or wear on
the contact surface and oil hole clogging.
(3) Check the crankshaft journal and pin for damage,
irregular wear (ellipticity, conicalness), and shaft
diameter. If the service limit is exceeded, replace the
bearing (bush) and connecting rod metal respectively
with new one. Measure the dimensions of the journal
and pin in the AA and BB directions at the position 1
and 2 avoiding the oil holes.
Crankshaft run-out (mm)
Standard assembling value Service limit
Less than 0.03 More than 0.06
34
35
Irregular wear limit of crankshaft journal and pin (mm)
More than 0.05
Shaft dia. At crankshaft journal
Outside dia. Finishing
dimension
Repair value
STD
.
45
.
964
45
.
975
ess t
an
.
Sh
a
f
t
di
a.
A
t cran
k
s
h
a
f
t
pi
n
(
)
Outside dia. Finishing
dimension
Repair value
STD
.
38
.
964
38
.
975
L
ess t
h
an
38
.
90

Table of Contents

Other manuals for Shibaura SX21

Related product manuals