EasyManua.ls Logo

Shimano INTER 5E - Page 81

Shimano INTER 5E
89 pages
Print Icon
To Next Page IconTo Next Page
To Next Page IconTo Next Page
To Previous Page IconTo Previous Page
To Previous Page IconTo Previous Page
Loading...
80
Return to index page
Series ALFINE NEXUS
Function name INTER-11 INTER-8 INTER-8
Model No. SG-S7051-11 SG-S7051-8 SG-C6061-8R SG-C6061-8C SG-C6061-8D SG-C6061-8CD
Speed 11 8
Gear ratio Total 409% 307%
A Over locknut dim. / O.L.D. (mm) 135
B Axle length (mm) 187
C Flange distance (mm) 57.3 58.3 57.3 58.3
D Spoke hole P.C.D. (mm) 92.6
E Flange diameter (mm) 104.3 105.2
F
Flange width (mm): F1 (left)
3.2
Flange width (mm): F2 (right)
G Chain line (mm): (inward assembly) 41.8
H Offset (mm) 3.15 3.1 3.7 3.3 3.7
J Axle length from hub (left)
26
K Axle length from hub (right)
L Axle size BC3 / 8 TPI 26
N
Rear dropout mounting width
(left, includes stay etc.)
5-9
P
Rear dropout mounting width
(right, includes stay etc.)
Q Non turn washer width 6.4
R Spoke hole diameter (mm) 2.9
S Spoke hole chamfer 90°
URBAN components
C-372
Internal Geared Hub
C-373
Dimensions
C-374
Ver. 1.8, Jan. 8, 2019, SHIMANO INC.
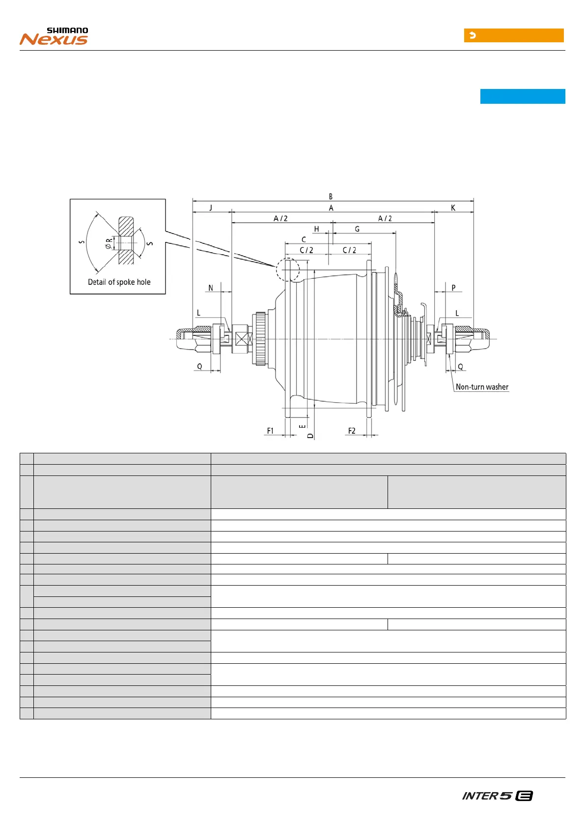
Series NEXUS
Function name INTER-5E
Model No. SG-C7050-5D
SG-C7050-5R
SG-C7050-5C
SG-C7050-5V
Speed 5
Gear ratio: Total 263%
A Over locknut dim. / O.L.D. (mm) 135
B Axle length (mm) 187
C Flange distance (mm) 57.3 58.3
D Spoke hole P.C.D. (mm) 92.6
E Flange diameter (mm) 105.2
F
Flange width (mm): F1 (left)
3.2
Flange width (mm): F2 (right)
G Chain line (mm): (inward assembly) 42.2
H Offset (mm) 3.2 3.7
J Axle length from hub (left)
26
K Axle length from hub (right)
L Axle size BC3 / 8 TPI 26
N Rear dropout mounting width (left, includes stay etc.)
5-9
P
Rear dropout mounting width (right, includes stay etc.)
Q Non-turn washer width 6.4
R Spoke hole diameter (mm) 2.9
S Spoke hole chamfer 90°
SG-C7050-5V / SG-C7050-5R / SG-C7050-5C / SG-C7050-5D
Hub dimensions

Related product manuals