EasyManua.ls Logo

Sicma FA/1200 - Assembly

Default Icon
36 pages
Print Icon
To Next Page IconTo Next Page
To Next Page IconTo Next Page
To Previous Page IconTo Previous Page
To Previous Page IconTo Previous Page
Loading...
- 18 -
Mower FA
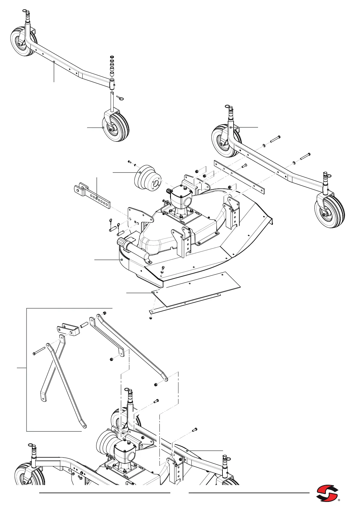
4.4 ASSEMBLY
For transportation convenience and packaging, the mower may delivered
separately from the wheel support arms, the 3-point hitch mast, the PTO driveline
shield, the support roller and the rear straps.
It is therefore necessary to arrange for their assembly in the following manner:
Fit the wheels “A” to the 2 wheel support arms “B”;
Mount the two wheel support arms “B” complete with wheels onto the frame
“C”;
Mount the lower ttings “D” onto the frame “C”;
Apply the cap “E” to the multiplier gearbox;
Mount the rear straps “F” onto the frame “C”;
Mount the 3-point hitch unit “G” onto the frame “C”;
A
B
B
C
F
D
E
C
G

Related product manuals