EasyManua.ls Logo

Siemens LMV50 series

Siemens LMV50 series
327 pages
To Next Page IconTo Next Page
To Next Page IconTo Next Page
To Previous Page IconTo Previous Page
To Previous Page IconTo Previous Page
Loading...
28/327
Building Technologies Basic Documentation LMV5... CC1P7550en
3 Fuel train (examples) 22.05.2018
2-stage burner
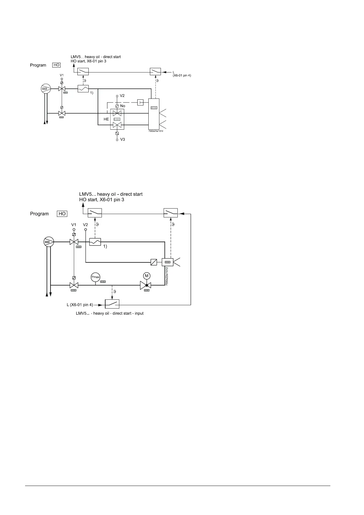
Figure 17: Fuel train application – heavy oil direct ignition, 2-stage
Modulating burner
Circulation from phase 38, max. 45 s,
as soon as heavy oil direct start
= ON in phase 38:
phase change in phase 40
Heavy oil direct start = OFF
at the end of phase 38
repetition (max. 3 times in total)
Figure 18: Fuel train application – heavy oil direct ignition, modulating
Direct ignition with
heavy oil, multistage
Direct ignition with
heavy oil, modulating

Table of Contents

Other manuals for Siemens LMV50 series

Related product manuals