EasyManua.ls Logo

Siemens RDG400

Siemens RDG400
44 pages
To Next Page IconTo Next Page
To Next Page IconTo Next Page
To Previous Page IconTo Previous Page
To Previous Page IconTo Previous Page
Loading...
38/44
Siemens RDG400 Basic Documentation CE1P3182en
Building Technologies 2015-05-20
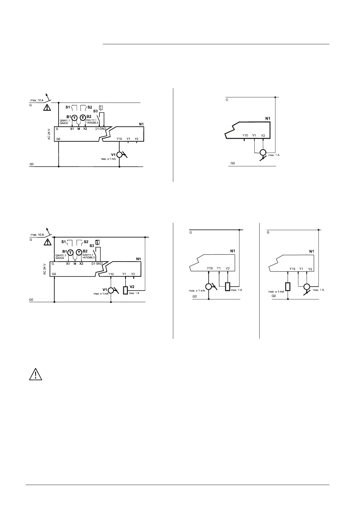
6.2 Connection diagrams
For details concerning connection of peripheral devices and setting of the DIP
switches, please refer to Mounting Instructions M3182 [3].
Application: Single-duct
V1
V1 DC 0…10 V damper actuator V1 3-position damper actuator
N1 Room thermostat RDG400
S1..S3 Switch (keycard, window contact, etc.)
B1, B2 Temperature sensor (return air temperature, external room temperature, changeover sensor, etc.)
Application: Single-duct with electric heater, radiator or heating/cooling valve
V2
V1
V2
V1
V1 DC 0…10 V damper actuator
V2 On/Off or PWM electric heater, radiator or heating/cooling
valve
V1 DC 0…10 V damper actuator
V2 3-position electric heater,
radiator or heating/cooling
valve
V1 3-position damper
actuator
V2 DC 0…10 V electric
heater, radiator or
heating/cooling valve
N1 Room thermostat RDG400
S1..S3 Switch (keycard, window contact, etc.)
B1, B2 Temperature sensor (return air temperature, external room temperature, changeover sensor, etc.)
For US installations, use Class 2 rated power supplies.
For other installations, use circuit breakers with rated current of no more than 10 A.
Note:

Other manuals for Siemens RDG400

Related product manuals