EasyManua.ls Logo

Siemens SIMATIC S7-1200 - Page 380

Siemens SIMATIC S7-1200
527 pages
To Next Page IconTo Next Page
To Next Page IconTo Next Page
To Previous Page IconTo Previous Page
To Previous Page IconTo Previous Page
Loading...
Instructions
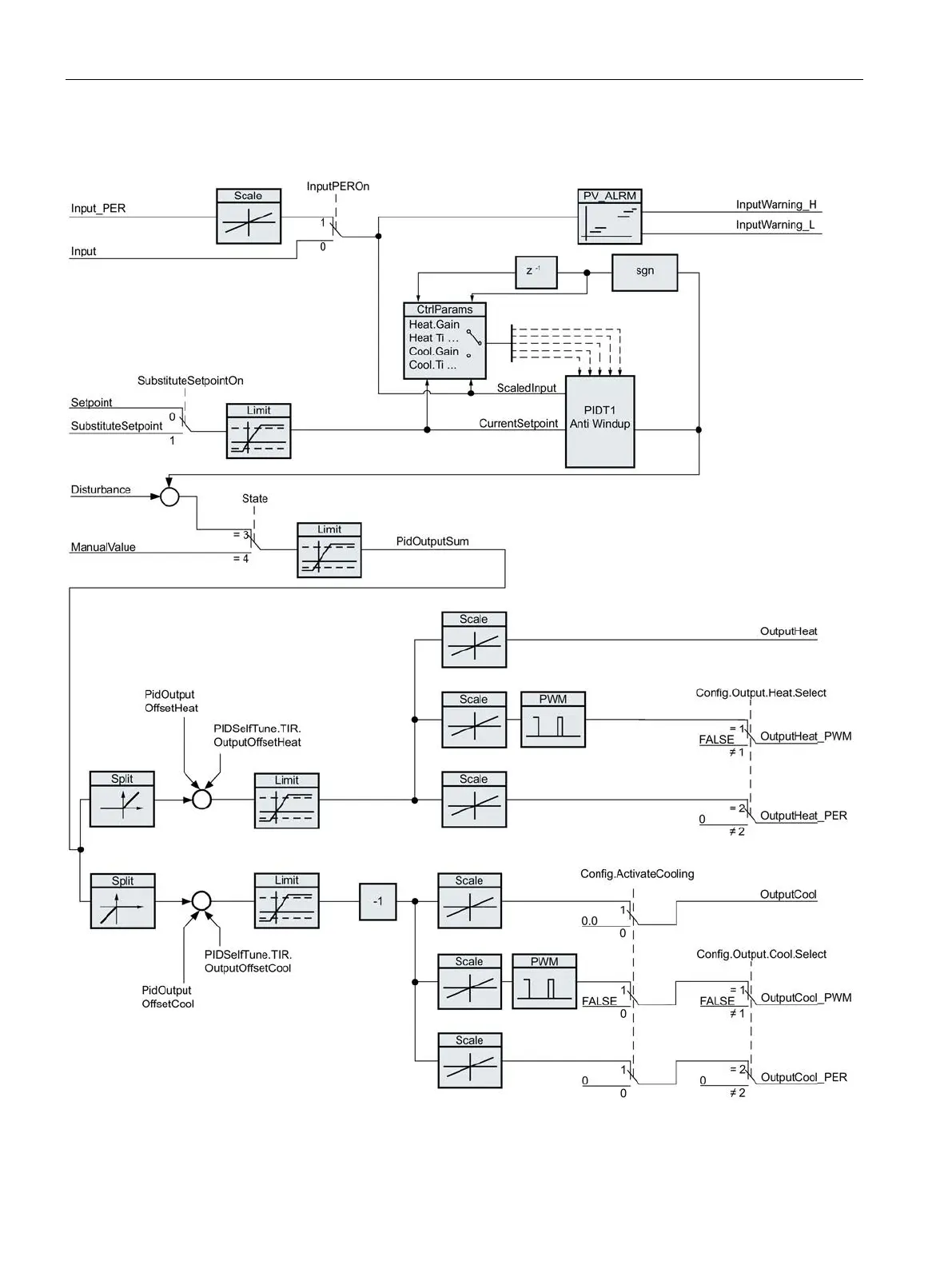
9.3 PID_Temp
PID control
380 Function Manual, 03/2017, A5E35300227-AC
PID_Temp block diagram

Table of Contents

Other manuals for Siemens SIMATIC S7-1200

Related product manuals