EasyManua.ls Logo

Siemens SINAMICS G120 - Circuit Diagrams

Siemens SINAMICS G120
34 pages
To Next Page IconTo Next Page
To Next Page IconTo Next Page
To Previous Page IconTo Previous Page
To Previous Page IconTo Previous Page
Loading...
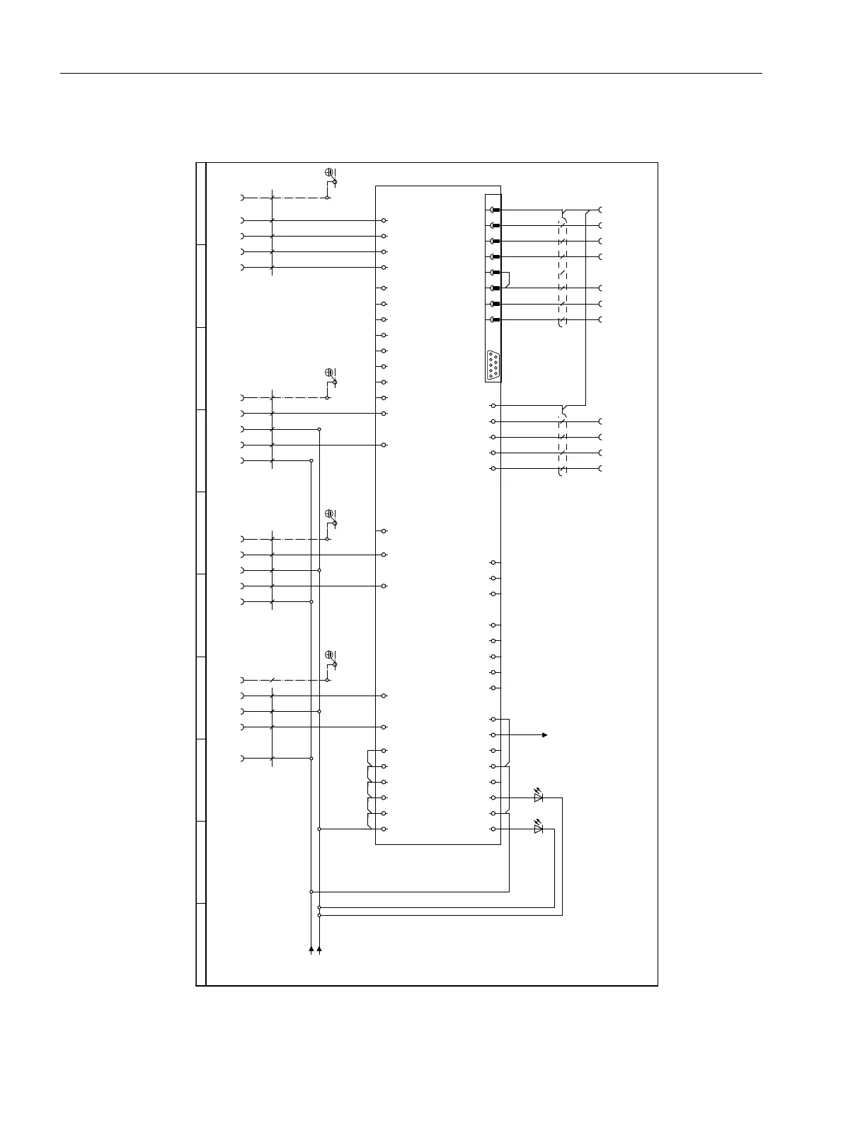
Circuit diagrams
Distributed inverter box
30 Manual, 06/2018, A5E43491109B AB
10 76 8 93 4
2
2 5
SHEET
OF 2
',',$,',',
',*,7$/,1387',*,7$/,1387',*,7$/,1387$1$/2*,1387
',',
-XDL2
4
-XDL2
34
5
36
6
37
7
30
1
+10V OUT
2
GND
3
AI 0+
4
AI 0-
10
AI 1+
11
AI 1-
13
GND
5
DI 0
6
DI 1+
64
DI 1-
7
DI 2
8
DI 3+
65
DI 3-
16
DI 4
17
DI 5+
66
DI 5-
67
DI 6
69
DI COM 1
9
+24V OUT
28
GND
40
DI COM3
41
DI 16
42
DI 17
43
DI 18
44
DI 19
21
DO 1 NO
22
DO 1 COM
18
DO 0 NC
19
DO 0 NO
20
DO 0 COM
23
DO 2 NC
24
DO 2 NO
25
DO 2 COM
51
DI/DO 24
52
DI/DO 25
53
DI/DO 26
54
DI/DO 27
50
GND
12
AO 0
26
AO 1
27
GND
-TA1
/1.4
6SL3246-0BA22-1FA0
SINAMICS G120
CONTROL UNIT CU250S-2 PN
15
1
(1&2'(5
+7/
(1&2'(5
66,
)$8/75($'<
35
-X2
1
2 3 4 5
-X3
1
2 3 4 5
-X0
1
2 3 4 5
-X1
1
2 3 4 5
-WX2
5x0,34 mm²
BU BKBN WH GNYE
-WX0
5x0,34 mm²
BU BKBN WH GNYE
-WX1
5x0,34 mm²
BU BKBN WH GNYE
-WX3
5x0,34 mm²
BU BKBN WH GNYE
X1
X2
-PF1
GN
X1
X2
-PF2
RD
CLOCK+
2
-X2100
CLOCK-
3
24V
4
24V
5
0V
7
Data-
14
Data+
15 SH
15
-XGE1
M23 17pol
16 12
71
A-
70
A+
72
B+
73
B-
8 9 7 10 17 14 1113
SH
-WXGE1.1
YE GNBN WH
-WXGE1.2
38
-XDL2
PE
-U1
PE
-U1
PE
-U1
-XDL2
PE
-U1
1.9/
L+
1.9/
M
1.3

Other manuals for Siemens SINAMICS G120

Related product manuals