EasyManua.ls Logo

Siemens SIPART DR19 - 6 Dr2800-8 V (Uni)

Siemens SIPART DR19
50 pages
Go to English
To Next Page IconTo Next Page
To Next Page IconTo Next Page
To Previous Page IconTo Previous Page
To Previous Page IconTo Previous Page
Loading...
SIPART DR19
C73000-M7474-C34-4
37
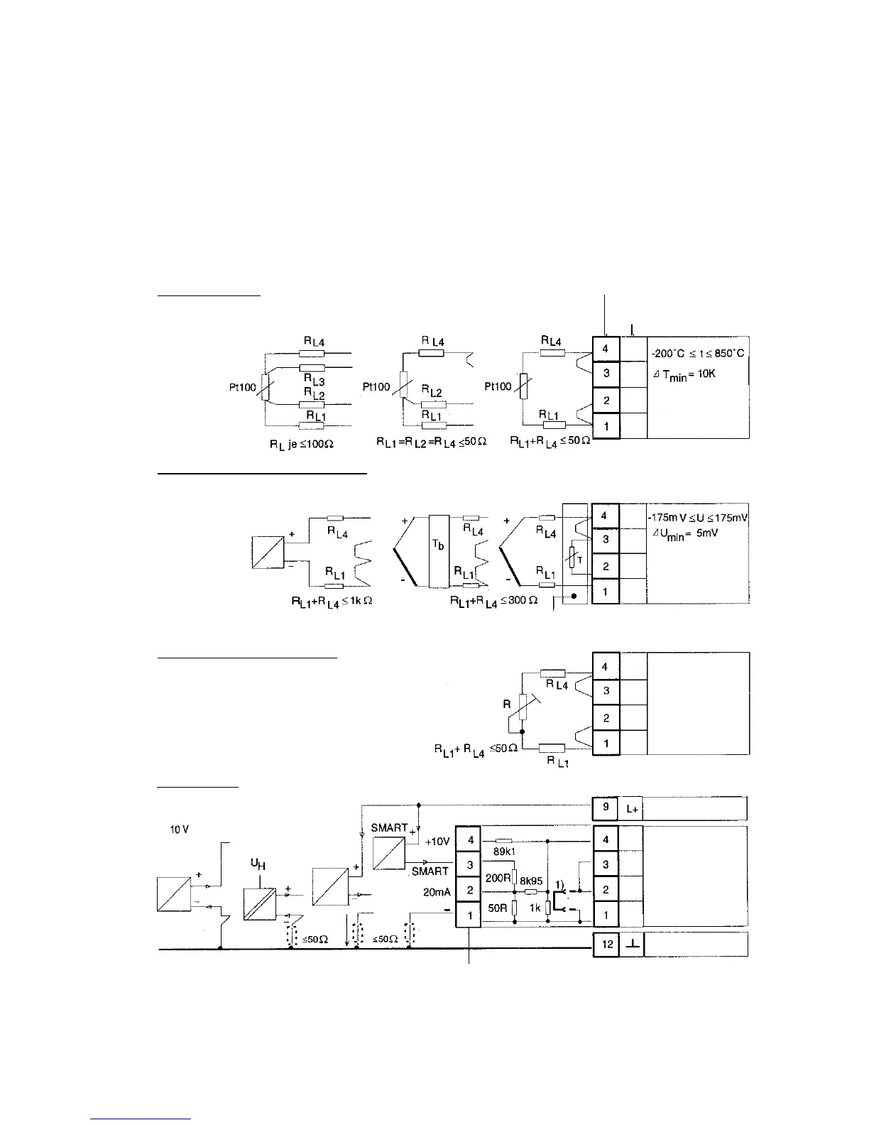
8.3 6DR2800-8V (UNI)
Required settings in the basic unit:
UNI module in slot 1 (AI3): S9 4
Select sensor type: S10
If S10=1,2, select thermocouple type: S11
If S10=1 to 5, select temperature unit: S7
Select measuring range and calibrate as appropriate: CAE3
- Thermocouple T or mV source
- PT100 input
P
- Resistance-based input R
- U or I input (with measuring range plug)
External
reference
mV
Internal
reference
Internal reference 6DR2805-8A
1)
The jumpers must be connected.
Measuring range plug 6DR2805-8J
perm. common mode voltage 50 V UC
315
314
313
312
315
314
313
312
315
314
313
312
315
314
313
312
for S10 = 6
R <600 Ω
for S10 = 7
600 ΩR2k8 Ω
I
R
<0,3 mA
Measuring range:
MA=0/20 mV
ME=100 mV
Set in configuration
level CAE3
Designation according
to DIN 45140
Terminal blocks
Basic unit
Basic unit
2-wire
20 mA
4-wire
20 mA
2-wire
4-wire 3-wire 2-wire
Configuration
switch

Other manuals for Siemens SIPART DR19

Related product manuals