EasyManua.ls Logo

Signode BXT 2 - Wiring diagramm

Signode BXT 2
33 pages
Print Icon
To Next Page IconTo Next Page
To Next Page IconTo Next Page
To Previous Page IconTo Previous Page
To Previous Page IconTo Previous Page
Loading...
ak 3.11
28
BXT 2 BXT 2-19
E38
DRIVE_HALLSENSORERR
OR
Description:
Hallsensor failure at power electronics
Possible cause:
Motor hall-sensor defective
Wiring to hall-sensors faulty
Rectification:
1. Check wiring motor to power electronics
2.
Replace the motor
3.
Replace the power electronics (Pos 212)
Interruption
Current process is
interrupted. Tool is in
standby mode again.
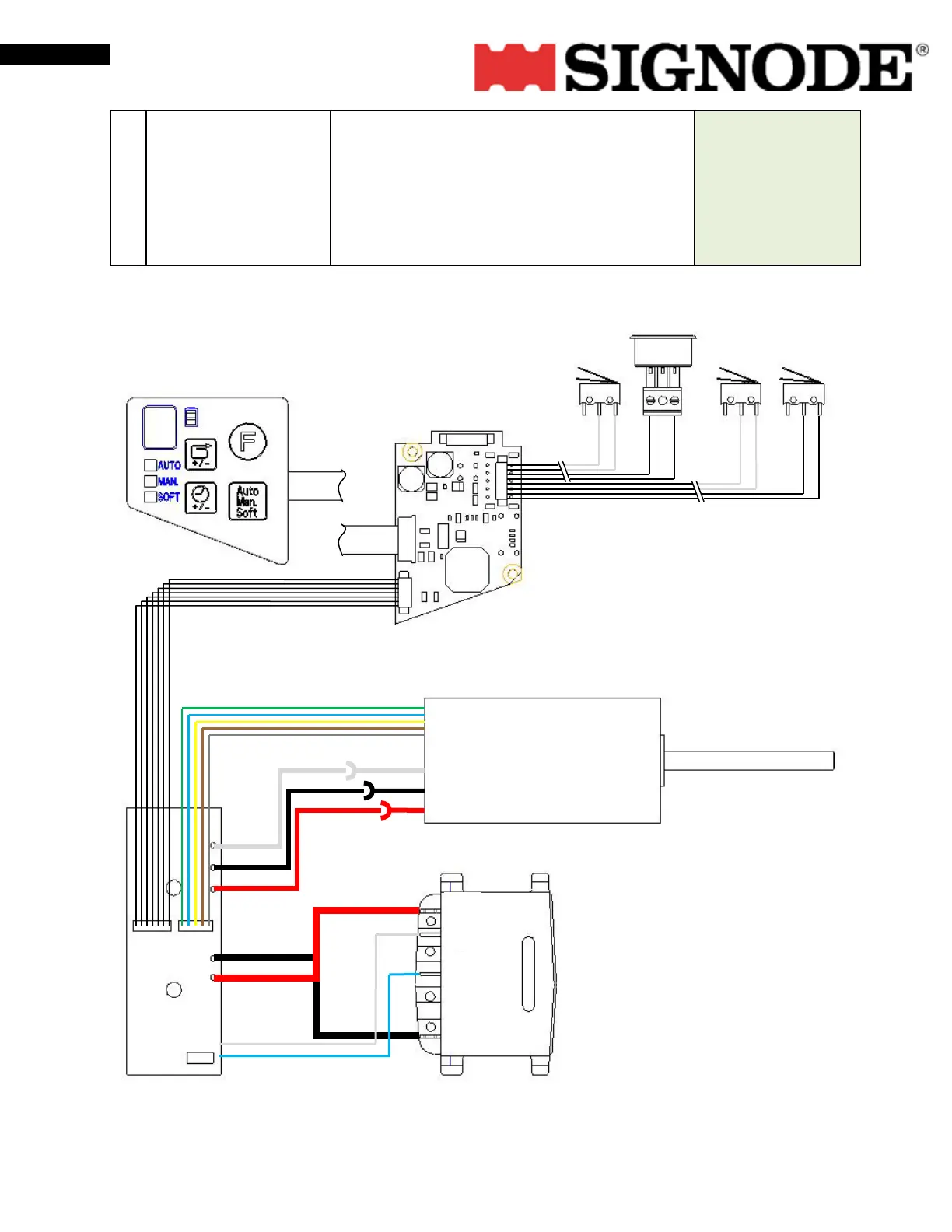
13. Wiring diagramm:
EC-Motor
+
-
tensioning
Rocker
lever
welding
Cam
signal
NTC
Code-R

Related product manuals