EasyManua.ls Logo

Sime METRO - Caratteristiche

Sime METRO
Print Icon
To Next Page IconTo Next Page
To Next Page IconTo Next Page
To Previous Page IconTo Previous Page
To Previous Page IconTo Previous Page
Loading...
11
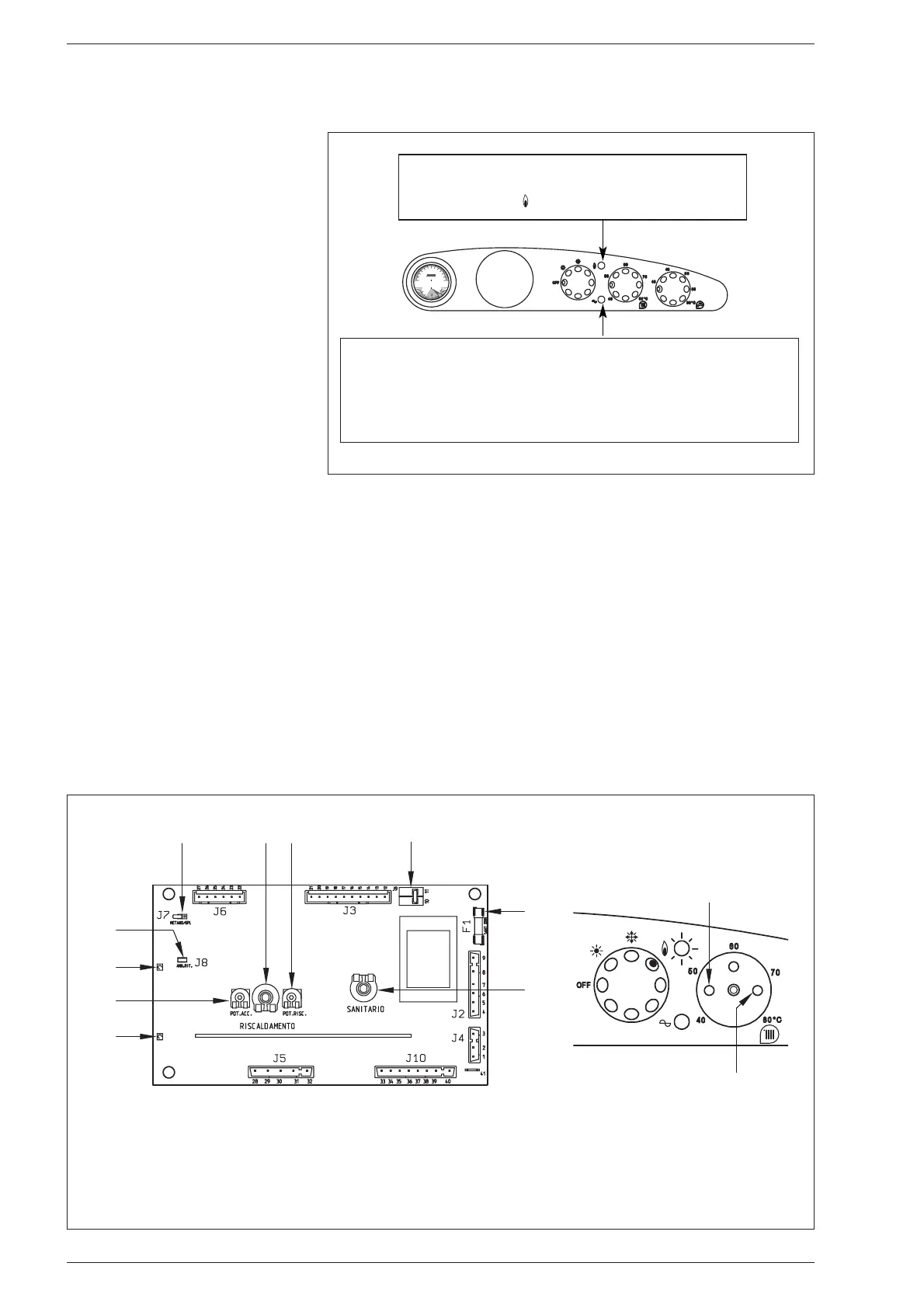
3.1 SCHEDA ELETTRONICA
Realizzata nel rispetto della direttiva Bassa
Tensione CEE 73/23 è alimentata a 230
Volt e, attraverso un trasformatore incor-
porato, invia tensione a 24 Volt ai seguenti
componenti: modulatore, sonda sanitario/
riscaldamento, regolatore climatico, flusso-
stato acqua e orologio programmatore.
Un sistema di modulazione automatica e
continua consente alla caldaia di adeguare
la potenza alle varie esigenze di impianto o
dell’utente. La componentistica elettronica
è garantita per funzionare in un campo di
temperature da 0 a +60 °C.
3.1.1 Anomalie di funzionamento
I led che segnalano un irregolare e/o non
corretto funzionamento dell’apparecchio
sono indicati in fig. 18.
3.1.2 Dispositivi
La scheda elettronica è provvista dei
seguenti dispositivi (fig. 19):
Trimmer “POT. RISC.” (1)
Regola il valore massimo di potenza riscal-
damento. Per aumentare il valore ruotare
il trimmer in senso orario, per diminuirlo
ruotare il trimmer in senso antiorario.
Trimmer “POT. ACC.(6)
Trimmer per variare il livello di pressione
all’accensione (STEP) della valvola gas.
A seconda del tipo di gas per il quale la
caldaia è predisposta, si dovrà regolare il
trimmer in modo da ottenere al bruciato-
re una pressione di circa 3 mbar per gas
metano e 7 mbar per gas butano (G30)
e propano (G31).
Per aumentare la pressione ruotare il
trimmer in senso orario, per diminuirla
ruotare il trimmer in senso antiorario.
Il livello di pressione di lenta accensione é
impostabile durante i 10 secondi dalla
scarica di accensione del bruciatore.
Dopo aver stabilito il livello di pressione
all’accensione (STEP) in funzione del
tipo di gas, controllare che la pressione
del gas in riscaldamento sia ancora sul
valore precedentemente impostato.
Connettore “METANO/GPL(4)
Con il connettore disinserito la caldaia è
predisposta per funzionare a METANO;
con il connettore inserito a GPL.
Connettore ANN. RIT.” (5)
La scheda elettronica è programmata,
in fase riscaldamento, con una sosta
tecnica del bruciatore di circa 90
secondi che si riscontra sia alla parten-
za a freddo dell’impianto che alle suc-
cessive riaccensioni.
Ciò ad ovviare accensioni e spegnimenti
con intervalli molto ristretti che, in parti-
colare, si potrebbero verificare in
impianti ad elevate perdite di carico.
Ad ogni ripartenza, dopo il periodo di
lenta accensione, la caldaia si posizio-
nerà, per circa 1 minuto, alla pressione
3 CARATTERISTICHE
Fig. 19
LEGENDA
1 Trimmer “Potenza riscaldamento”
2 Fusibile (F 1,6A)
3 Potenziometro sanitario
4 Connettore “METANO/GPL ”
5 Connettore Annullo ritardi”
6 Trimmer “Potenza accensione”
7 Led rosso di blocco
8 Potenziometro riscaldamento
9 Led bicolore verde/arancio
10 Connettore “TA
NOTA:
Per accedere ai trimmer di regolazione
(1) e (6) sfilare la manopola del poten-
ziometro riscaldamento.
Fig. 18
Led bicolore verde spento in caso di mancanza di tensione.
Led bicolore arancio in caso di anomalia sonda (SM).
Led bicolore verde lampeggiante in caso di intervento dispositivo sicurezza fumi nella
vers. “OF”: riarmare il pulsante del termostato per ripristinare il funzionamento.
Led verde lampeggiante guasto ventilatore/pressostato fumi nella vers. “BF”.
Led rosso blocco accensione/intervento termostati di
sicurezza: ruotare il selettore OFF/EST/INV/SBLOCCO
nella posizione ( ) per ripristinare il funzionamento
0
30
60
90
120
bar
°C
0
3
4
1
B
A
C
6
1
2
3
5
9
7
6
1
8
4
10

Related product manuals