EasyManua.ls Logo

Simrad RI9 - Page 10

Simrad RI9
34 pages
Print Icon
To Next Page IconTo Next Page
To Next Page IconTo Next Page
To Previous Page IconTo Previous Page
To Previous Page IconTo Previous Page
Loading...
Simrad RI9 Rudder Angle Indicator
8 20220562E
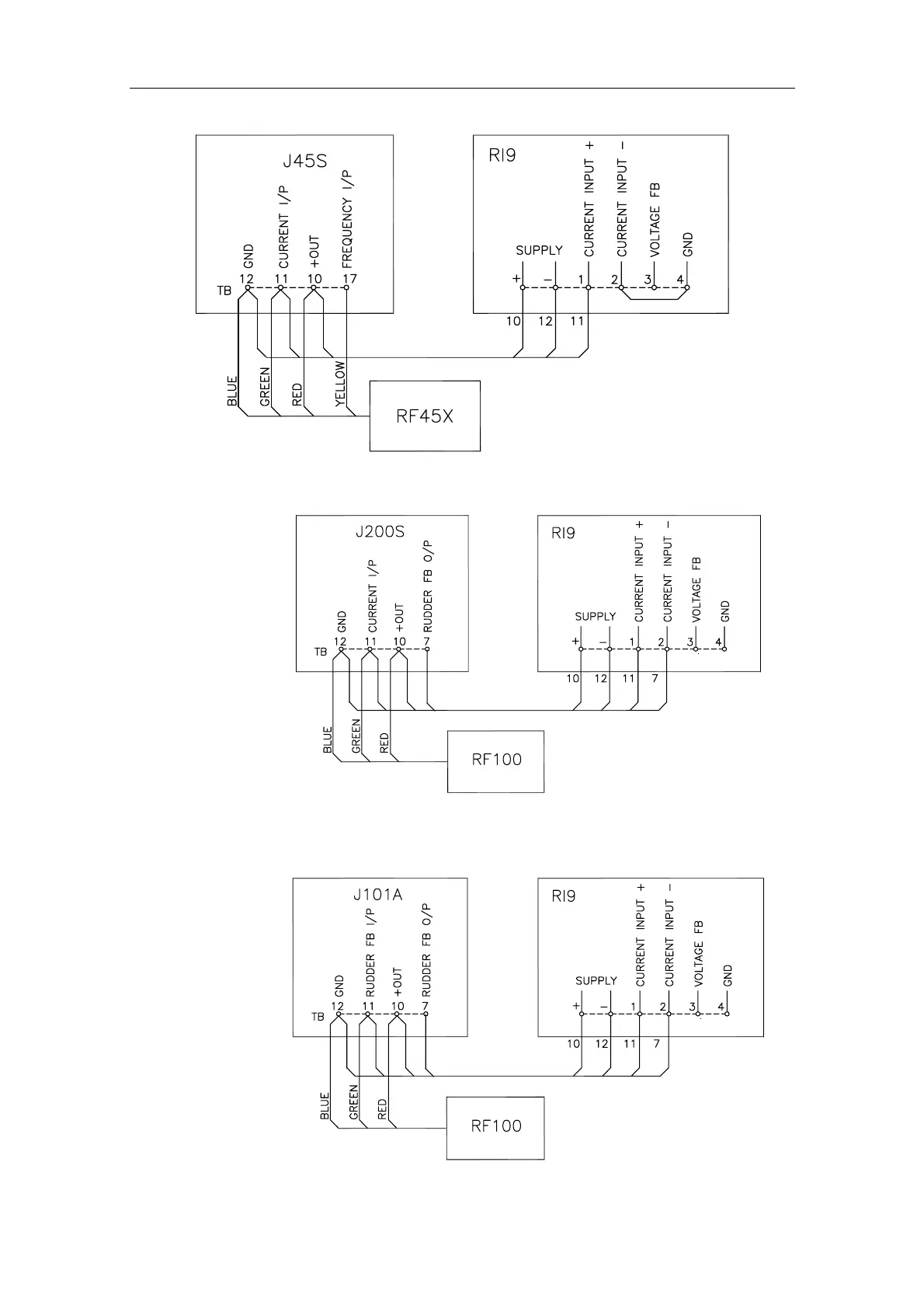
Fig. 1-6 RI9-J45S Wiring diagram
Fig. 1-7 RI9-J200S Wiring diagram
Fig. 1-8 RI9-J101A Wiring diagram