EasyManua.ls Logo

Simrad RI9 - Electrical Connection

Simrad RI9
34 pages
Print Icon
To Next Page IconTo Next Page
To Next Page IconTo Next Page
To Previous Page IconTo Previous Page
To Previous Page IconTo Previous Page
Loading...
Simrad RI9 Rudder Angle Indicator
28 20220562E
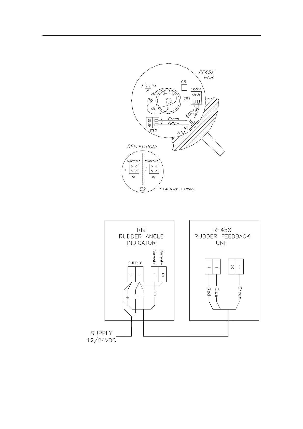
3.4 Electrical connection
Fig. 3-4 RF45X Internal Wiring
Fig. 3-5. RI9-RF45X Wiring diagram
Note ! For RF45X the supply voltage can be 12/24VDC.

Related product manuals